CQUT综合课设2 51单片机小车 组成原理课程设计(cpu) 数据结构课程设计 面向对象课程设计
课程设计源码 报告 ppt
·
面向对象综合实践
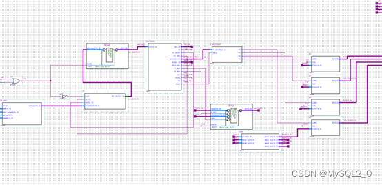
组成原理课程设计 基于mips指令集的cpu设计(无流水)
综合课设2 51单片机迷宫小车
数据结构课程设计,选题如下(背包问题、滑雪场问题、农夫过河问题、全国交通咨询模拟)
代码+报告+ppt

魔乐社区(Modelers.cn) 是一个中立、公益的人工智能社区,提供人工智能工具、模型、数据的托管、展示与应用协同服务,为人工智能开发及爱好者搭建开放的学习交流平台。社区通过理事会方式运作,由全产业链共同建设、共同运营、共同享有,推动国产AI生态繁荣发展。
更多推荐
所有评论(0)