毕业设计:基于卷积神经网络的苹果病虫害检测 机器视觉
毕业设计:基于卷积神经网络的苹果病虫害检测通过自主拍摄和互联网采集的方式,构建了一个包含多种苹果病虫害样本的图像数据集。利用Labelme工具进行数据标注,确保每张图像中的病虫害区域被精准标记。随后,采用数据扩展技术增加数据集的多样性,提升模型的泛化能力。此外,研究中使用了YOLOv5作为基础模型,结合深度可分离卷积和倒残差结构,优化了模型的参数量和计算效率,从而实现更高的检测性能。对于计算机专业
目录
前言
📅大四是整个大学期间最忙碌的时光,一边要忙着备考或实习为毕业后面临的就业升学做准备,一边要为毕业设计耗费大量精力。近几年各个学校要求的毕设项目越来越难,有不少课题是研究生级别难度的,对本科同学来说是充满挑战。为帮助大家顺利通过和节省时间与精力投入到更重要的就业和考试中去,学长分享优质的选题经验和毕设项目与技术思路。
🚀对毕设有任何疑问都可以问学长哦!
选题指导:
大家好,这里是海浪学长毕设专题,本次分享的课题是
🎯毕业设计:基于卷积神经网络的苹果病虫害检测
课题背景和意义
随着全球人口的不断增长和食品需求的增加,农业生产面临着前所未有的挑战。苹果种植过程中常常受到病害的影响,这不仅降低了果实的产量,也影响了果实的质量,从而对农民的经济利益造成了严重损失。传统的病害检测方法通常依赖于人工观察和经验判断,这种方法不仅耗时耗力,而且容易受到主观因素的影响,导致漏检或误判。此外,随着气候变化和新型病害的出现,传统方法在应对复杂的病害检测时显得力不从心。因此,开发一种高效、准确的病害检测系统显得尤为重要。
实现技术思路
一、算法理论基础
1.1 卷积神经网络
卷积神经网络(CNN)的基本结构由卷积层、池化层、激活函数层和全连接层组成。卷积层是CNN的核心,负责对输入数据进行卷积操作,提取特征图。通过使用小于输入特征图的卷积核,卷积层可以在图像上滑动并计算点积,生成特征图。特征图的大小由输入数据的尺寸、卷积核的大小和步长决定,能够有效提取输入数据中的重要特征信息。

池化层通常紧随卷积层之后,旨在降低特征图的尺寸,从而减少计算复杂度和存储需求。常见的池化方法包括最大池化和平均池化。最大池化选取池化区域内的最大值,突出显著特征,有助于提高计算效率;而平均池化则计算区域内的平均值,能够保留特征图中的所有信息,适用于需要更高稳定性的场景。这两种池化方式使得网络对输入的轻微变换具有一定的不变性和鲁棒性。

激活函数层通过在神经元输出上引入非线性变换,增强网络的表达能力,使其能够学习更复杂的函数。全连接层通常位于网络的最后,用于将卷积层和池化层提取的特征映射到最终的分类或回归结果上。全连接层的输入为一维向量,输出同样为一维向量,通过权重矩阵实现输入与输出之间的线性变换。通过这些层的组合,CNN能够有效地处理复杂的图像数据,进行高效的特征提取和分类。

1.2 目标检测算法
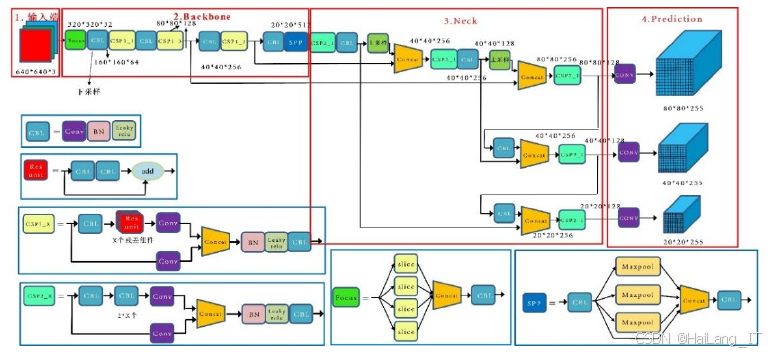
YOLOv5的主体网络层结构分为四个部分:输入层、特征提取网络(Backbone层)、特征融合层(Neck层)以及输出层(Head)。输入层负责处理特征数据,并通过引入Mosaic数据增强算法,结合四张不同的图像生成新的训练样本,从而增强模型的泛化能力。此外,YOLOv5支持动态调整输入图像的大小,以平衡模型的速度和精度,提升了对不同尺度物体的检测能力,增强了整体网络的鲁棒性。

特征提取网络在YOLOv4的CSPDarknet53基础上进行了改进,采用CSP结构将特征图分为两个分支,其中一个保持通道数不变,另一个则通道数减半。通过残差连接后再次进行卷积,这种设计使得信息流动更加高效和平衡,显著提高了特征提取的效果。在YOLOv5中,使用了Mish激活函数,该函数在性能表现上优于ReLU和Swish等常用激活函数,能够有效缓解梯度消失问题,从而提升模型训练的稳定性和效率。
YOLOv5一共发布了四个版本:YOLOv5s、YOLOv5m、YOLOv5l和YOLOv5x。其中,YOLOv5s是结构最小的版本,其他版本在此基础上增加了卷积层和特征通道数,以适应不同应用场景和需求。

为降低YOLOv5s算法的参数量,我们将Backbone部分中的CBL模块替换为MobileNetV3模块,以实现模型的轻量化。MobileNetV3模块主要由深度可分离卷积、归一化层和激活函数层组成。深度可分离卷积包含深度卷积和点卷积,前者对输入样本进行卷积操作,生成与输入相同通道数量的特征图;后者则通过1×1卷积核在通道维度上进行卷积。为了进一步降低计算量,YOLOv5s算法的残差结构被替换为倒残差结构(Inverted Residual Block),该结构先进行升维,然后通过深度卷积操作进行特征提取,最后降维。这样设计的优点在于,深度卷积只作用于特征图的一个通道,计算量相对较小。此外,使用ReLU6激活函数替代传统的ReLU,增加了上限截断操作,有助于在处理低精度特征时提高数值分辨率。

通过将MobileNetV3网络引入YOLOv5s模型,我们将标准卷积层替换为深度可分离卷积层,以减少模型的计算复杂度和参数量。同时,倒残差结构的引入,使得模型在进行特征提取时更加高效。相较于普通的残差结构,倒残差结构能够先升维后降维,并通过深度可分离卷积实现高效的特征处理,最后将输出与输入相加以得到最终结果。

二、 数据集
2.1 数据集
数据集的制作过程首先涉及图像的采集。采用了两种方法进行图像采集:一是自主拍摄,通过在不同果园和环境下拍摄苹果果实和树叶,确保图片的多样性和代表性;二是通过互联网采集,利用公开的农业图像数据库和社交媒体平台,获取丰富的病害样本。这种多样化的采集方式保证了数据集的全面性,有助于模型在不同条件下的泛化能力。
数据标注使用了Labelme工具对采集到的图像进行标注。通过Labelme,标注人员可以对每张图像中的苹果果实和树叶的病害区域进行精准的分割,并为每个病害类别指定相应的标签。这样的标注方式不仅提高了标注的效率,还确保了标注结果的准确性,为后续的模型训练提供了高质量的训练数据。

2.2 数据处理
为了提升模型的训练效果,我们对数据集进行了划分与扩展。数据集被分为训练集、验证集和测试集,以便于模型的训练、调优和评估。同时,我们引入数据扩展技术,包括图像翻转、旋转、缩放和颜色变换等,生成更多变种样本,以增加数据集的丰富性和多样性。这种扩展手段能够有效提高模型的鲁棒性,使其在实际应用中对不同病害和环境变化具有更好的适应能力。
三、实验及结果分析
3.1 实验环境搭建

3.2 模型训练
在苹果果实和树叶病害检测中,可以选择YOLOv5、EfficientNet等模型。选择的模型应考虑到检测精度和计算资源的平衡,同时要确保模型能够处理输入数据的复杂性。
import torch
from models.yolov5 import Model # 假设我们使用YOLOv5
# 加载YOLOv5模型
model = Model('yolov5s.yaml') # 加载YOLOv5s配置
model.train() # 准备模型进行训练
在训练阶段,将训练集输入模型进行训练,并使用验证集评估模型性能。训练过程需要设置超参数,如学习率、批次大小和训练轮数等。同时,监控损失函数和指标,以便及时调整。
from torch.utils.data import DataLoader, TensorDataset
# 创建DataLoader
train_dataset = TensorDataset(torch.tensor(X_train), torch.tensor(y_train))
train_loader = DataLoader(train_dataset, batch_size=16, shuffle=True)
# 训练模型
for epoch in range(num_epochs):
for images, labels in train_loader:
outputs = model(images) # 前向传播
loss = compute_loss(outputs, labels) # 计算损失
loss.backward() # 反向传播
optimizer.step() # 更新参数
optimizer.zero_grad() # 清空梯度
训练完成后,通过测试集评估模型的性能,使用各种指标(如准确率、召回率和F1-score等)来量化模型的检测能力。通过可视化结果,分析模型在不同病害上的识别效果。根据评估结果,进行模型的优化。可以采用技术如迁移学习、超参数调优、数据增强等方法,来提升模型的准确性和鲁棒性。此外,还可以考虑对模型进行剪枝或量化,以减小模型的大小和提高推理速度。
海浪学长项目示例:





最后
我是海浪学长,创作不易,欢迎点赞、关注、收藏。
毕设帮助,疑难解答,欢迎打扰!
魔乐社区(Modelers.cn) 是一个中立、公益的人工智能社区,提供人工智能工具、模型、数据的托管、展示与应用协同服务,为人工智能开发及爱好者搭建开放的学习交流平台。社区通过理事会方式运作,由全产业链共同建设、共同运营、共同享有,推动国产AI生态繁荣发展。
更多推荐
所有评论(0)