毕业设计-基于机器视觉的智能安检系统设计 -OpenCV
毕业设计-基于机器视觉的智能安检系统设计 -OpenCV:智能安检应用背景是安检人员时刻紧盯显示屏,容易疲劳、跑神;对可疑物品的判断完全依赖安检人员经验;容易漏检、错检;应用简介,智能安检危险品自动识别系统的优势:电脑自动识别图像,判断违禁品种类及位置;有违禁物品时主动提示,减轻安检人员工作量;违禁品检出率高,判别速度快;智能安检危险品自动识别系统所采用的新技术智能安检危险品自动识别系统是利用计算
目录
前言
📅大四是整个大学期间最忙碌的时光,一边要忙着备考或实习为毕业后面临的就业升学做准备,一边要为毕业设计耗费大量精力。近几年各个学校要求的毕设项目越来越难,有不少课题是研究生级别难度的,对本科同学来说是充满挑战。为帮助大家顺利通过和节省时间与精力投入到更重要的就业和考试中去,学长分享优质的选题经验和毕设项目与技术思路。
🚀对毕设有任何疑问都可以问学长哦!
选题指导: https://blog.csdn.net/qq_37340229/article/details/128243277
大家好,这里是海浪学长毕设专题,本次分享的课题是
🎯基于机器视觉的智能安检系统设计 -OpenCV
课题背景和意义
智能安检应用背景是安检人员时刻紧盯显示屏,容易疲劳、跑神;对可疑物品的判断完全依赖安检人员经验;容易漏检、错检;应用简介,智能安检危险品自动识别系统的优势:电脑自动识别图像,判断违禁品种类及位置;有违禁物品时主动提示,减轻安检人员工作量;违禁品检出率高,判别速度快;智能安检危险品自动识别系统所采用的新技术智能安检危险品自动识别系统是利用计算机目标检测技术对XRAY 图像进行处理分析,智能识别定位危险物品并进行报警提示的安检设备。X射线智能安检机主要利用深度神经网络的算法,逐层提取物体特征,通过物体分割和识别定位来快速检测出可疑危险物品。在物体检测过程中,系统可显示检测到的物体种类及位置信息,并且根据需求设置物体类别的输出阈值,准确区分并快速定位危险物品,并在屏幕上报警显示,方便安检人员及时对危险品进行确认处理。智慧安检领域的探索与实践一定程度上解决了可疑行李与安全行李混杂、安检效率低及员工劳动强度大等问题。但从从实际应用情况来看,还存在着不足,所以发展智能安检是十分有必要的。
实现技术思路
一、智能安检机概述

二、嵌入式控制系统
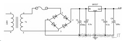
220 V 交流电需要经过四个步骤:电源变压、整流电路、滤波器和稳压电路,即可得到稳定的直流电。 首先将 220 V 交流电通过变压器变压至 5 V,经过桥式整流电路后,将负向电压转化成正向电压,然后再通过电容滤波电路,使输出成为比较平滑的直流电,最终经过 LM317 稳压芯片,得到稳定的电压供单片机使用。

压力检测

![]()
PID 算法框图如图 4 所示:

为了编程方便,用采样周期 T 将其离散化,当 T 足够小时,微分方程可以写为位置式数字 PID 方程:
![]()
三、图像处理模块设计

为了减少在安检过程中丢失关键性信息, 本设计采用遵从最小均方差准则的维纳滤波法。 在自适应滤波中,最广泛采用的目标函数之一就是均方误差(MSE),其定义为:
![]()
维纳滤波法是以原图像 Q(A,B)与恢复后图像 Q∧(A,B)的最小均方误差准则下提出的最佳线性滤波方法, 设所选模板为M×N,故:


图像特征提取

该算法是通过融合分辨率低但语义较强的特征图和分辨率较强但语义较弱的特征图,使多层特征图均具有较强语义信息,并将特征图中语义较强的特征图向上采集以加强高层特征。 虽然此种方案能针对安检情况下物品层叠的情况,但是随着训练样本的增加,将会存在着无关数据过多的情况。
实现效果图样例
客运智慧安检系统:


我是海浪学长,创作不易,欢迎点赞、关注、收藏、留言。
毕设帮助,疑难解答,欢迎打扰!
最后
魔乐社区(Modelers.cn) 是一个中立、公益的人工智能社区,提供人工智能工具、模型、数据的托管、展示与应用协同服务,为人工智能开发及爱好者搭建开放的学习交流平台。社区通过理事会方式运作,由全产业链共同建设、共同运营、共同享有,推动国产AI生态繁荣发展。
更多推荐
所有评论(0)