GC8123 SOT23-6 5V低成本大电流,全桥驱动芯片
GC8123 SOT23-6 5V低成本大电流,全桥驱动芯片
·
GC8123是一款低压5V全桥驱动芯片,为摄像机、 消费类产品、玩具和其他低压或者电池供电的运动控 制类应用提供了集成的电机驱动解决方案。
GC8123能提供高达1.2A的持续输出电流。可以 工作在 1.2~6V 的电源电压上。
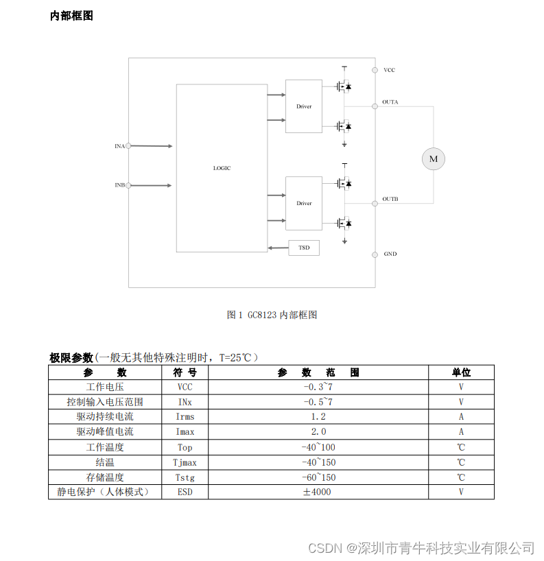
GC8123具有 PWM(IN/IN)输入接口,与行业标准 器件兼容,并具有过温保护功能。
芯片应用:
- 摄像机
- 数字单镜头反光(DSLR) 镜头
- 玩具
- 机器人技术
- 共享单车锁
- 水表开关
- 医疗设备
芯片描述:
- H 桥电机驱动器
-- 电源电压 1.2~6V
-- 低导通阻抗(HS+LS)420mΩ - 1.2A 持续驱动输出电流
- PWM(INA/INB)输入模式
- 内置过温保护
- 低电流睡眠模式(nA 级,INA=INB=0)


魔乐社区(Modelers.cn) 是一个中立、公益的人工智能社区,提供人工智能工具、模型、数据的托管、展示与应用协同服务,为人工智能开发及爱好者搭建开放的学习交流平台。社区通过理事会方式运作,由全产业链共同建设、共同运营、共同享有,推动国产AI生态繁荣发展。
更多推荐



所有评论(0)