AD2S1210旋变转换电路计算及仿真
摘要:本文分析了三种电路的计算方法,重点研究了集成运放电路的电压输出特性(VO=5.7015V,Vpp=9.18V)。通过推挽放大电路(SS8050W+SS8550W组合)的电阻功能解析,揭示了各电阻在电路保护中的关键作用。实测数据显示AD2S1210芯片输出异常(4.32V),并详细记录了各测试点电压值。文章特别强调了在无差分示波器情况下的计算方法,包括共模电压计算(6.25V)和旋转变压器接口
第一种:

第二种:


第一种和第二种电路图计算公式一样,Vout第一个值为5.7212,第二个值为4.82;



第三种:

集成运放:

数据手册输出:

数据手册输入:

集成运放计算值:
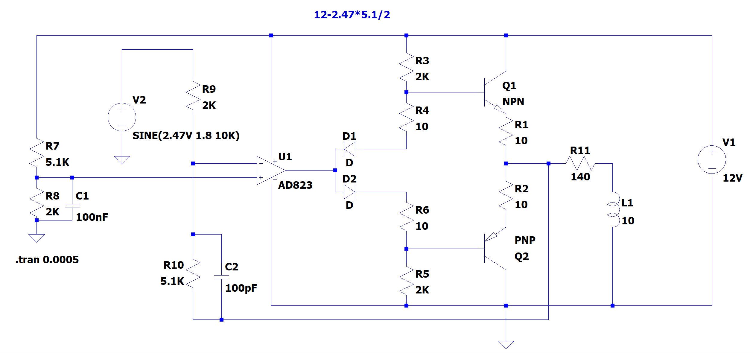
VO=12V-2.47V*5.1K/2K=12-6.2985=5.7015
VMAX=12-(2.47+3.6/2)*(5.1K/2K)=12-10.8885=1.1115
VMIN=12-(2.47-1.8)*2.55=12-1.7085=10.2915
Vpp=10.2915-1.1115=9.18V;
Vrms=0.707*9.18=6.49V,
旋变的参数电压是VRMS=7V:
磁阻式:

绕线式:

与下面集成运放的区别是:电阻相等部位错位导致公式不一样:

数据手册
根据推挽放大电路图(SS8050W+SS8550W组合),以下是对关键电阻的深度解析及实例说明:

仿真电路:
电阻功能:AI
|
电阻 |
核心功能 |
工程意义 |
失效后果 |
|---|---|---|---|
|
R2/R18 |
基极限流门卫 |
防驱动过冲 |
晶体管BE结烧毁 |
|
R7/R16 |
温度补偿枢纽 |
消除热失控隐患 |
输出交越失真+器件热击穿 |
|
R8 |
NPN侧熔断保险丝 |
牺牲自我保全核心 |
开路后电路停止工作 |
|
R11 |
PNP侧负反馈制动器 |
动态限流+均流 |
阻值漂移致输出不对称 |
仿真波形-电压:

仿真波形-电流:

我自己的实测波形图:
1.断开电阻,AD2S1210的EXC直接输出端:直接输出VPP应该是在4V以下,但此芯片已经到了4.32V;

2.放大器电阻前端:VPP在范围内;

3.放大器负端:

4.放大器输出端:5.6V

5.二极管端:5.6+0.7=6.3V

6.10R电阻端=三极管基极,6.26V,10R电阻分压0.02V

7.三极管发射极:6.26V-0.7=5.56V,此处5.77V

8.10R输出端:5.77-5.68=.0.09,10R分压0.09V;

VRMS=6.51V,旋变电压7VRMS;
另一驱动器波形图:
激励波形:

正弦波形:

余弦波形:

第三种驱动器激励波形:

正弦波形:

余弦:

以下是重点:

在没有差分示波器表笔时如何计算及注意事项:
1.EXC+ EXC-输出Vavg=2.47V,VPP=7.2V,则EXC+与GND共模Vavg=2.47V,VPPgnd=3.6V,参考点V+=V-=12*(10/(22+10))=3.75V,放大倍数AV=10/5.1=1.96,
2.通过运算放大器VPP=3.6*1.96=7.1V,共模Vavg=Vout= (EXC-3.75)/5.1K=(3.75-VO)/10K,Vout=6.25V;
差模:VPP*2=7.1V*2=14.2V,共模6.25V
3.旋变变比是0.5
则VSIN+ VSIN-差模电压=14.2/2=7.1V,则VSIN+与GND电压VPPGND=3.55V,转动电机,使正弦输出电压最大3.55V约
而正余弦要求电压,3.15V(2.3-4.0V以内),VSIN+与GND电压要求为4/2=2V以内,现在将3.55变为2V以内,
偏执电压采用芯片的VREFOUT=2.47V,
正弦线圈有电阻和感抗,根据旋变线圈电阻不同大小,固定VREFOUT的偏执电阻为2K,则更换正余弦串入的电阻值,电阻前为3.55V,电阻后为2V以内则电阻合适,此处电阻值为2K;
注意点:
共模电压满足条件:3.55v/2=1.775V, 2.47-1.775到2.47+1.775,满足相对于AGND的SIN、SINLO、COS和COSLO电压必须始终在0.15 V至AVDD − 0.2 V范围内。
接上不同的旋变可能出现正弦波负半轴缺少,可以检测二极管前面电压放大值,示波器测试时,如果出现电压VPP很大,超过xxV,VMAX和VMIN低限位已经变为0,没有了余量;
实测波形:
EXC与GND

推挽放大:

正弦与GND,接口电压:
正弦与GND,传入电阻后:

魔乐社区(Modelers.cn) 是一个中立、公益的人工智能社区,提供人工智能工具、模型、数据的托管、展示与应用协同服务,为人工智能开发及爱好者搭建开放的学习交流平台。社区通过理事会方式运作,由全产业链共同建设、共同运营、共同享有,推动国产AI生态繁荣发展。
更多推荐



所有评论(0)