推挽变换器matlab仿真,双驱动推挽DC-DC变换器方案分享之设计原理简析
在工业控制以及汽车驱动等领域中,为了使电路系统具有更高的转换效率,工程师们往往需要选择恰当的DC-DC变换器来进行辅助设计。此前我们也曾经为各位工程师们分享过几种双向型的DC-DC变换器设计方案,并获得了良好的反响。在今明两天的方案分享中,我们将会为大家分享一种双驱动推挽DC-DC变换器设计方案,今天我们将会着重就其设计原理进行简要分析。本文引用地址:http://www.eepw.com.cn/
在工业控制以及汽车驱动等领域中,为了使电路系统具有更高的转换效率,工程师们往往需要选择恰当的DC-DC变换器来进行辅助设计。此前我们也曾经为各位工程师们分享过几种双向型的DC-DC变换器设计方案,并获得了良好的反响。在今明两天的方案分享中,我们将会为大家分享一种双驱动推挽DC-DC变换器设计方案,今天我们将会着重就其设计原理进行简要分析。本文引用地址:http://www.eepw.com.cn/article/201808/386863.htm
在本方案中,我们所设计的这种450W双驱动推挽式DC-DC变换器是一种直流变换开关电源,其输入电压为直流27V,电源输出分别为直流±20V10A和5V10A三种不同的类型。其中电源的输入与输出隔离,且输出电源的±20V和5V不共地。这样的设计能够有效防止共地带来的干扰,因此这也就使得这一DC-DC变换器在工作应用过程中具有输出稳压精度高和纹波小等优点。
在这一双驱动推挽式DC-DC变换器的主电路设计中,我们选择采用双驱动推挽结构。在输入电压较低时,推挽电路比半桥或全桥电路优越,因为任何时候最多只有一个开关管工作,在输出功率相同时,开关损耗较小。低压双驱动推挽变换器电路原理图如图1所示。

图1 双驱动推挽式DC-DC变换器电路原理图
在图1所示的双驱动推挽式DC-DC变换器电路原理图中,我们可以看到,由于驱动电路控制,使得两个功率场效应管T1、T2交替导通,且二者之间有一个死区时间,即两个场效应管都关断的阶段,在此期间电感L1保持电流续流回路。对于电流连续方式,输出电压由下式决定:

在该公式中,参数VS是输入电压,参数ton是T1或T2的导通时间,参数toff是其关断时间,参数NS和NP分别是变压器付方和原方匝数。
脉宽调制电路设计及仿真
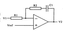
在这一双驱动推挽式DC-DC变换器方案设计中,我们所设计的PWM脉宽调制器采用SG1525作为脉宽控制器,非常适合于驱动功率场效应管。校正补偿环节采用PI调节器,输出滤波电路采用π型滤波。PI校正补偿电路如图2所示,其传递函数可以计算为:

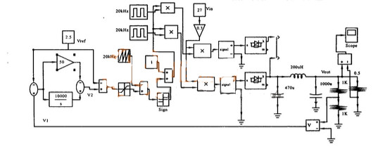
在上式计算的基础上,我们使用MATLAB6.5软件对5V10A的电源进行仿真,其仿真原理图如图3所示,输出电压波形曲线如图4所示。

图2 PI校正补偿电路

图3 电路原理仿真

图4 输出电压波形仿真
可以看到,在使用MATLAB6.5软件对这一双驱动推挽式DC-DC变换器主电路进行仿真后,仿真结果与公式计算结果是基本吻合的。我们将会继续就这一DC-DC变换器的驱动电路设计情况和测试结果,进行简要分析,欢迎大家继续跟进。
魔乐社区(Modelers.cn) 是一个中立、公益的人工智能社区,提供人工智能工具、模型、数据的托管、展示与应用协同服务,为人工智能开发及爱好者搭建开放的学习交流平台。社区通过理事会方式运作,由全产业链共同建设、共同运营、共同享有,推动国产AI生态繁荣发展。
更多推荐



所有评论(0)