matlab/simulink自适应控制轮毂电机驱动的电动汽车主动悬架构型与控制
建立 1/4 车辆悬架状态模型,采用二次型最优控制,获得直线电机最优输出力,对 直线电机采用内环推力滞环控制 、 外环速度 PID 控制的双闭环控制方式跟踪输出这个最优力,实现主动悬架多闭环控 制。建立 1/4 车辆悬架状态模型,采用二次型最优控制,获得直线电机最优输出力,对 直线电机采用内环推力滞环控制 、 外环速度 PID 控制的双闭环控制方式跟踪输出这个最优力,实现主动悬架多闭环控 制。一种
1、内容简介
略
619-可以交流、咨询、答疑
2、内容说明
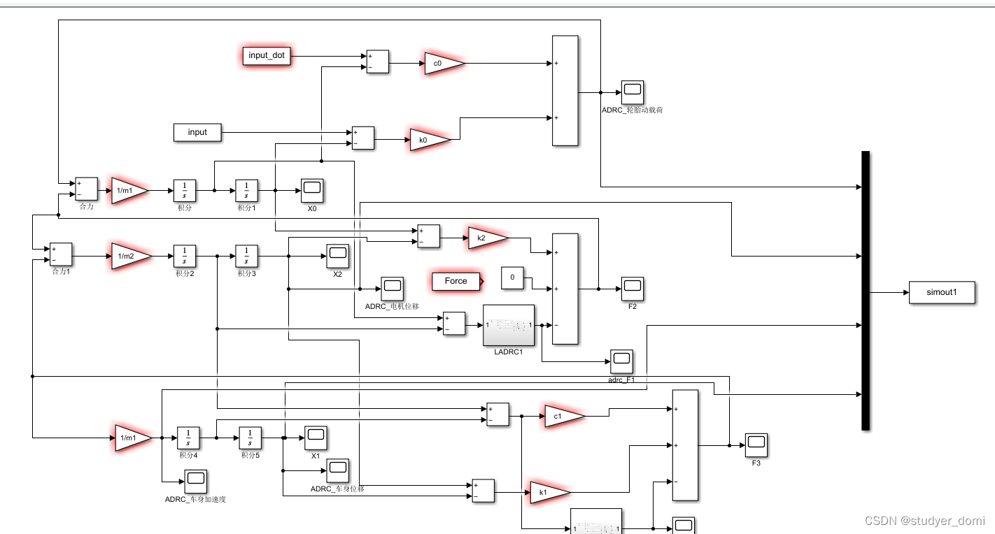
略为提高轮毂电机驱动电动汽车行驶平顺性,在轮辋内安装 3 个对称弹簧 - 阻尼装置形成轮毂电机悬架,车身悬 架为含直线电机作动器的主动悬架 。 建立 1/4 车辆悬架状态模型,采用二次型最优控制,获得直线电机最优输出力,对 直线电机采用内环推力滞环控制 、 外环速度 PID 控制的双闭环控制方式跟踪输出这个最优力,实现主动悬架多闭环控 制 。 利用 MATLAB/Simulink 搭建仿真模型,结果表明,基于直线电机的主动悬架在宽车速及不同路面激励下均可发挥良 好作用 。
为提高轮毂电机驱动电动汽车行驶平顺性,在轮辋内安装 3 个对称弹簧 - 阻尼装置形成轮毂电机悬架,车身悬 架为含直线电机作动器的主动悬架 。 建立 1/4 车辆悬架状态模型,采用二次型最优控制,获得直线电机最优输出力,对 直线电机采用内环推力滞环控制 、 外环速度 PID 控制的双闭环控制方式跟踪输出这个最优力,实现主动悬架多闭环控 制 。 利用 MATLAB/Simulink 搭建仿真模型,结果表明,基于直线电机的主动悬架在宽车速及不同路面激励下均可发挥良 好作用 。 轮毂电机驱动的电动汽车具有动力传输距离短 、 传输损耗小 、 传输效率高和动力可控等一系列优点,是 电动汽车行业发展的热点之一 [ 1 ] 。 然而,在实际应用 中,轮毂电机的引入使得非簧载质量增加,并且电机在 运行过程中难免出现电流波动和转矩波动等现象,这 些都加剧了车身的振动,降低车辆行驶平顺性和乘坐 舒适性 [ 2-3] 。 针对轮毂电机振动大和行车平顺性低等问题, 中外许多学者做了大量研究工作,主要集中在悬架 阻尼调节及主动悬架的控制等方面 。 文献[ 4 ]针对 非簧载质量过大带来的垂向振动负效应,以及汽车 行驶安全性降低,采用基于线性二次最优控制理论 主动悬架解决垂向振动负效应效果明显 。
3、仿真分析


4、参考论文
一种轮毂电机悬架构型及其减振性能的研究.caj
S电动汽车用永磁同步电机自抗扰控制研究_孙毅.caj
混合动力车辆永磁同步轮毂电机转速自抗扰控制_陈路明.caj
一种轮毂电机悬架构型及其减振性能的研究.caj
魔乐社区(Modelers.cn) 是一个中立、公益的人工智能社区,提供人工智能工具、模型、数据的托管、展示与应用协同服务,为人工智能开发及爱好者搭建开放的学习交流平台。社区通过理事会方式运作,由全产业链共同建设、共同运营、共同享有,推动国产AI生态繁荣发展。
更多推荐
所有评论(0)