matlab理想低通滤波器函数_RC有源低通滤波器的一阶二阶原理分析及其推导!
定义低通滤波器:允许低于一定值的低频信号无衰减地通过,高于一定值的信号按不同程度地被衰减、阻挡。有源低通滤波器是由有源元件和一部分无源元件(电阻、电容、电感)共同组成的低通滤波器。有源元件指的是必须要有供电电源才能正常工作的元件,最常见的有源元件是运算放大器。如何判断滤波器的阶数一般来说,判断滤波器的阶数主要的方法就是数电路中电容电感的个数,几个就代表几阶滤波器。但是,在数电容电感个数前,要将电路
定义
低通滤波器:允许低于一定值的低频信号无衰减地通过,高于一定值的信号按不同程度地被衰减、阻挡。
有源低通滤波器是由有源元件和一部分无源元件(电阻、电容、电感)共同组成的低通滤波器。有源元件指的是必须要有供电电源才能正常工作的元件,最常见的有源元件是运算放大器。
如何判断滤波器的阶数
一般来说,判断滤波器的阶数主要的方法就是数电路中电容电感的个数,几个就代表几阶滤波器。但是,在数电容电感个数前,要将电路中串并联的电容电感合为一计算。比如说,有3个电容并联,2个电感串联,则为1+1 = 2阶。
一阶低通滤波器
从该电路中,我们可以写出该电路的传递函数。传递函数指的是输出量的拉普拉斯变换和输入量的拉普拉斯变换之比。
s代表的是s域。s=a + jw (a是阻尼常数,对于纯粹的正弦波a为0,此处相当于s = jw)
既然得到了传递函数,那么我们可以对电路进行幅频分析,可以看到一阶低通滤波器的大概幅频特性曲线。幅频特性完美地诠释了为什么该电路称为低通滤波器!如下图,在一定的低频部分,增益没有衰减,而一旦频率到达截止频率,增益就会很明显地出现不同程度的衰减。
Bode图
通过计算可以算出一阶低通滤波器的截止频率Wc = 1/RC(一般截止频率用Wc表示),也称为-3dB截止频率。当放大倍数降为原来的 √2/2倍时,此时的频率就对应了-3dB截止频率。所以,利用该定义就可以计算出任何电路的截止频率。
二阶低通滤波器
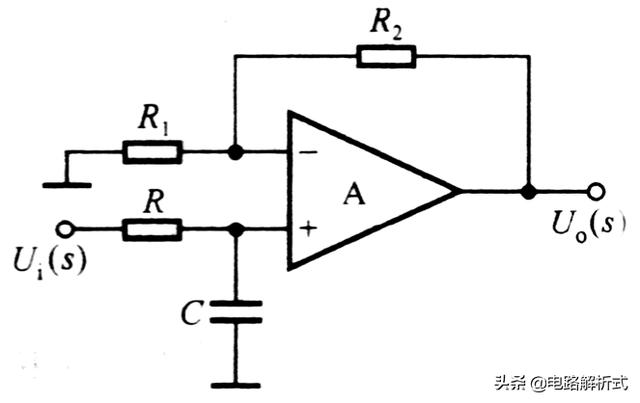
二阶低通滤波器有2种电路结构:Sallen-Key结构和多路反馈结构(MFB)。
1、Sallen-Key结构:用于单位增益、高增益精度和低Q值的应用中。
Sallen-Key结构
该电路图的传递函数:
推导公式
式中的A就是电路增益。
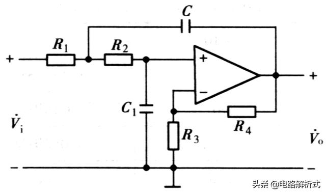
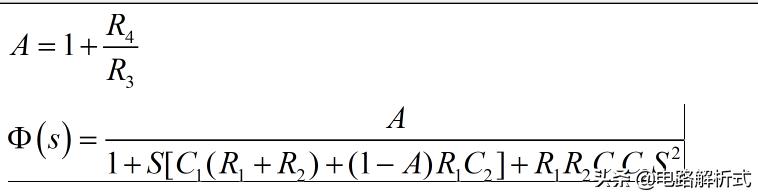
2、多路反馈结构(MFB):用于高Q值和高增益的应用中。
MFB结构
该电路图的传递函数:
一阶、二阶滤波器是组成高阶滤波器的基本模块。为什么需要二阶、高阶滤波器呢?因为阶数越高,相应的滤波效果更接近理想。
以上的传递函数的推导过程就不在这里贴出来了,推导过程都在纸上,不好在电脑上表达出来。今天找到了一个比较好用的数学推导编辑软件,还在熟悉中,以后会在文章中用编辑软件贴出自己的推导过程的。向大家抱歉!如果有朋友需要推导过程,可以私信我。
魔乐社区(Modelers.cn) 是一个中立、公益的人工智能社区,提供人工智能工具、模型、数据的托管、展示与应用协同服务,为人工智能开发及爱好者搭建开放的学习交流平台。社区通过理事会方式运作,由全产业链共同建设、共同运营、共同享有,推动国产AI生态繁荣发展。
更多推荐


所有评论(0)