Labview串口控制斑马打印机:开源代码详解与应用实践
参数设置注意三点:波特率要和打印机匹配(多数斑马机默认9600),Flow Control必须选None,校验位记得关掉。最后说个实战技巧:批量打印时记得加延迟!咱们今天用最硬核的方式,边写代码边唠嗑,搞明白怎么通过串口让打印机乖乖干活。遇到问题别慌,九成概率是ZPL语法错或者串口参数不对,拿打印机的配置页对比下就清楚了。有个骚操作是打开打印机自检模式,长按出纸键5秒会吐出当前配置参数,方便核对串
Labview通过串口控制斑马打印机,源码无加密,
直接撸起袖子开干!在工业自动化项目里经常需要和斑马打印机打交道,用LabVIEW控制这货其实没想象中复杂。咱们今天用最硬核的方式,边写代码边唠嗑,搞明白怎么通过串口让打印机乖乖干活。
先甩个核心代码结构出来:
VISA配置串口(波特率:9600, 数据位:8, 停止位:1, 流控:无)
-> 写入ZPL指令
-> 关闭串口
这个流程看着简单,实操时有两个坑爹点:ZPL指令格式和串口参数配置。先看串口配置的代码实现,在LabVIEW的仪器I/O选板里找到VISA函数,拖个配置串口的VI过来:

![LabVIEW串口配置代码截图]
参数设置注意三点:波特率要和打印机匹配(多数斑马机默认9600),Flow Control必须选None,校验位记得关掉。之前有次把流控设成XON/XOFF,打印机直接装死,排查了半小时才发现这破设置。
接下来是重头戏ZPL指令生成,举个打印文本的例子:
^XA
^FO20,30
^A0N,40,40
^FDHello LabVIEW!^FS
^XZ
这串神秘代码翻译成人话就是:在坐标(20,30)的位置用40号字体打印"Hello LabVIEW!"。别被这些控制符吓到,其实拆开看很简单:
- ^XA 和 ^XZ 是开始/结束标记
- ^FO设置坐标原点
- ^A指定字体参数
- ^FD包裹实际打印内容
在LabVIEW里发送指令时,记得把ZPL代码转成字节流再喂给VISA Write。遇到过字符编码问题的举个手?曾经有次用中文内容打印乱码,后来发现得在指令前加^CI28指定字符集:
字节数组处理VI连线图:
[ZPL指令字符串] -> 字符串至字节数组转换 -> VISA写入
调试时推荐用串口助手先手动发指令测试,确认打印机响应正常再接入LabVIEW。有个骚操作是打开打印机自检模式,长按出纸键5秒会吐出当前配置参数,方便核对串口设置。

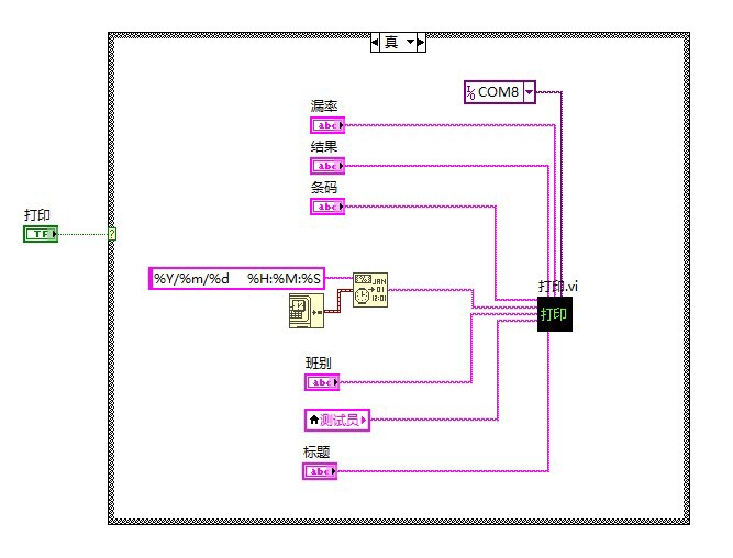
最后说个实战技巧:批量打印时记得加延迟!VISA Write之后接个50ms的等待,避免指令拥堵。曾经有个项目连续发10条指令,结果打印机只执行前三条,加了这个延迟药到病除。完整代码流程大概长这样:
![LabVIEW完整控制流程图]
(包含错误处理分支和重试机制)

搞定这些基本就能玩转斑马打印机了,下次可以试试在标签里插入二维码或者动态数据。遇到问题别慌,九成概率是ZPL语法错或者串口参数不对,拿打印机的配置页对比下就清楚了。
魔乐社区(Modelers.cn) 是一个中立、公益的人工智能社区,提供人工智能工具、模型、数据的托管、展示与应用协同服务,为人工智能开发及爱好者搭建开放的学习交流平台。社区通过理事会方式运作,由全产业链共同建设、共同运营、共同享有,推动国产AI生态繁荣发展。
更多推荐

所有评论(0)