MT6705B 12W电源方案同步整流芯片可替代DP4110/MK1706
尤其是在需要支持多种工作模式和高效率的应用中,MT6705B展现出了其独特的优势。在设计新的电源方案时,工程师应详细比较这两款芯片的性能参数和应用指南,以做出最合适的选择。MT6705B支持DCM(不连续导电模式)、CCM(连续导电模式)和QR Flyback(准谐振反激变换器)等多种工作模式,使其能够适应不同的电源需求。然而,具体的价格和成本效益需要根据供应商和采购量来确定。MT6705B 由于
在现代电源设计中,同步整流技术因其高效率和低能耗特性而越来越受到重视。MT6705B作为一款新兴的同步整流芯片,被广泛讨论其是否能替代传统的DP4110 MK1706芯片。本文将对这两款芯片进行深入比较,探讨MT6705B作为替代方案的可行性。
MT6705B芯片概述

MT6705B 是一款高性能的同步整流器,主要用于反激式变换器。它集成了一个40V功率MOSFET,可以有效取代肖特基二极管,从而提高转换效率。MT6705B支持DCM(不连续导电模式)、CCM(连续导电模式)和QR Flyback(准谐振反激变换器)等多种工作模式,使其能够适应不同的电源需求。
DP4110 MK1706 是另一款同步整流芯片,专为5V输出的充电器或适配器设计。它集成了18mΩ 45V同步整流MOS,并且针对5V2A-2.4A应用能效可达到美国DOE VI(六级能效)标准和欧盟CoCV5 Tier2标准。
性能参数对比
MT6705B 的主要特性包括:
集成40V功率MOSFET,提供高效率整流。
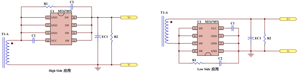
支持高边整流与低边整流。
提供智能开启检测功能,有效防止DCM中VDS振荡导致的MOSFET误判。
提供VCC UVLO(欠压锁定)和VCC钳位保护等保护功能。
DP4110 MK1706 的主要特性包括:
集成18mΩ 45V同步整流MOS。
支持DCM和QR模式。
精准的0mV电压关断。
支持开关电源频率最高至150kHz。
<1mW的待机功耗。
典型应用
MT6705B 由于其广泛的工作模式支持,适用于多种电源适配器和充电器设计,特别是在需要高效率和高兼容性的应用中。

DP4110 MK1706 则更专注于5V输出的应用,特别是在能效要求较高的充电器和适配器中。
封装和成本效益
两款芯片都采用SOP8封装,这使得它们在空间受限的应用中具有优势。然而,具体的价格和成本效益需要根据供应商和采购量来确定。
结论
MT6705B以其广泛的工作模式和高效率整流能力,成为DP4110 MK1706的一个有力替代方案。尤其是在需要支持多种工作模式和高效率的应用中,MT6705B展现出了其独特的优势。然而,是否选择MT6705B作为替代方案,还需要根据具体的应用需求、成本考量以及供应链稳定性来综合评估。在设计新的电源方案时,工程师应详细比较这两款芯片的性能参数和应用指南,以做出最合适的选择。
魔乐社区(Modelers.cn) 是一个中立、公益的人工智能社区,提供人工智能工具、模型、数据的托管、展示与应用协同服务,为人工智能开发及爱好者搭建开放的学习交流平台。社区通过理事会方式运作,由全产业链共同建设、共同运营、共同享有,推动国产AI生态繁荣发展。
更多推荐
所有评论(0)