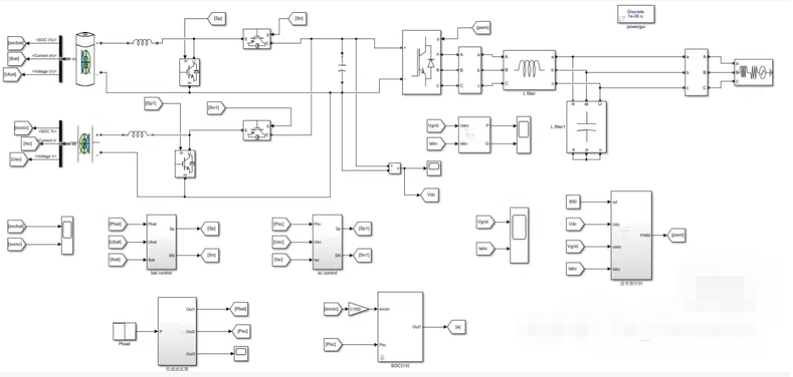
蓄电池与超级电容混合储能并网matlab_simulink仿真模型。
蓄电池与超级电容混合储能并网matlab/simulink仿真模型。(1)混合储能采用低通滤波器进行功率分配,可有效抑制功率波动,并对超级电容的soc进行能量管理,soc较高时多放电,较低时少放电,soc较低时状态与其相反。(2)蓄电池和超级电容分别采用单环恒流控制,研究了基于超级电容的SOC分区限值管理策略,分为放电下限区,放电警戒区,正常工作区,充电警戒区,充电上限区。(3)采用三相逆变并网,
蓄电池与超级电容混合储能并网matlab/simulink仿真模型。
(1)混合储能采用低通滤波器进行功率分配,可有效抑制功率波动,并对超级电容的soc进行能量管理,soc较高时多放电,较低时少放电,soc较低时状态与其相反。
(2)蓄电池和超级电容分别采用单环恒流控制,研究了基于超级电容的SOC分区限值管理策略,分为放电下限区,放电警戒区,正常工作区,充电警戒区,充电上限区。
(3)采用三相逆变并网,将直流侧800v电压逆变成交流311v并网,逆变采用电压电流双闭环pi控制,pwm调制。
以下文字及示例代码仅供参考
构建一个包含蓄电池与超级电容的混合储能系统并网的MATLAB/Simulink仿真模型涉及多个方面,包括电力电子转换器的设计、控制策略的选择以及电池和超级电容器的模型建立等。下面提供了一个高层次的指南来帮助你开始这个项目。
主要组成部分
- 直流源:代表蓄电池和超级电容器的直流电源。
- 双向DC-DC转换器:用于调节来自蓄电池和超级电容器的能量流动。
- 逆变器:将直流电转换为交流电以便并网。
- 控制系统:包括用于管理能量流动、维持电压稳定性和实现最大功率点跟踪(MPPT)等功能的控制器。
- 电网接口:模拟电网,并允许评估系统的性能。
实现步骤
以下是如何在Simulink中构建这样一个模型的基本步骤:
1. 建立电池和超级电容器模型
- 使用Simscape Electrical中的Battery或Custom Battery模型来表示蓄电池。
- 对于超级电容器,可以使用Capacitor模块,并根据其规格调整参数。
2. 设计双向DC-DC转换器
- 在Simulink中添加一个双向DC-DC转换器模型,例如Buck-Boost转换器。这可以通过Simscape Electrical库找到。
- 配置转换器参数以匹配实际应用的需求。

3. 添加并配置逆变器
- 使用Simscape Electrical中的三相逆变器模型将直流电转换为交流电。
- 确保正确设置逆变器的开关频率和其他关键参数。
4. 控制系统设计
- 设计适当的控制算法来管理从电池和超级电容器到电网的能量流动。常用的控制方法包括PI控制、模糊逻辑控制等。
- 可能需要考虑实现一些先进的特性,如平滑负荷曲线、提高能源效率或支持可再生能源集成。
5. 连接至电网
- 利用Simscape Electrical中的AC Voltage Source模块来模拟电网。
- 添加必要的保护措施,如过电流保护、孤岛检测等。
示例代码/模块建议
虽然不能直接给出完整的Simulink模型文件,这里有一些指导性的MATLAB命令和提示可以帮助你开始:
% 打开一个新的Simulink模型
new_system('HybridEnergyStorageSystem')
% 添加基本组件,比如可以从Simscape Electrical库中选择
add_block('sps_s_library/Battery', 'HybridEnergyStorageSystem/Battery')
add_block('sps_s_library/Capacitor', 'HybridEnergyStorageSystem/UltraCapacitor')
add_block('sps_s_library/Three-Phase Inverter (2-Level)', 'HybridEnergyStorageSystem/Inverter')
% 设置仿真参数
set_param('HybridEnergyStorageSystem', 'StopTime', '0.1') % 模拟时间可以根据需求调整
% 打开模型进行进一步编辑
open_system('HybridEnergyStorageSystem')

请记住,上述代码仅提供了一个起点。你需要根据具体的应用场景和需求对模型进行详细的定制和调整。此外,深入理解所使用的每个组件的工作原理及其参数设置对于成功构建仿真模型至关重要。
魔乐社区(Modelers.cn) 是一个中立、公益的人工智能社区,提供人工智能工具、模型、数据的托管、展示与应用协同服务,为人工智能开发及爱好者搭建开放的学习交流平台。社区通过理事会方式运作,由全产业链共同建设、共同运营、共同享有,推动国产AI生态繁荣发展。
更多推荐

所有评论(0)