【物联网毕设】厨房监测系统-图传-STM32+APP+MQTT
智能环境监测系统摘要 本系统采用STM32微控制器为核心,集成温湿度、火焰、气体等多种传感器,通过WiFi/MQTT协议实现远程监控。硬件端可自动调控环境(空调/风扇)并触发声光报警;Android APP提供数据可视化、阈值设置及远程控制功能,支持一键布防和图像获取。系统使用2.4GHz WiFi热点(NET/12345678)通信,包含完整的PCB设计、程序架构和演示视频资源。适用于智慧家居场
目录
前言
本系统采用STM32微控制器为核心,集成温湿度、火焰、气体等多种传感器,通过WiFi/MQTT协议实现远程监控。硬件端可自动调控环境(空调/风扇)并触发声光报警;Android APP提供数据可视化、阈值设置及远程控制功能,支持一键布防和图像获取。系统使用2.4GHz WiFi热点(NET/12345678)通信,包含完整的PCB设计、程序架构和演示视频资源。适用于智慧家居场景,配套资料可通过网盘获取,技术支持需联系开发者。
关注微信公众号--星之援工作室 发送关键字(项目清单)
可获取项目清单资料
➡️🫡🫡🫡🫡🫡🫡🫡🫡➡️
⚠️⚠️(本文章仅提供思路和实现方法,并不包含代码,需要代码的同学请自行联系博主)
⚠️⚠️(有疑问或需要定制或者技术支持等,也请自行联系博主)⚠️⚠️
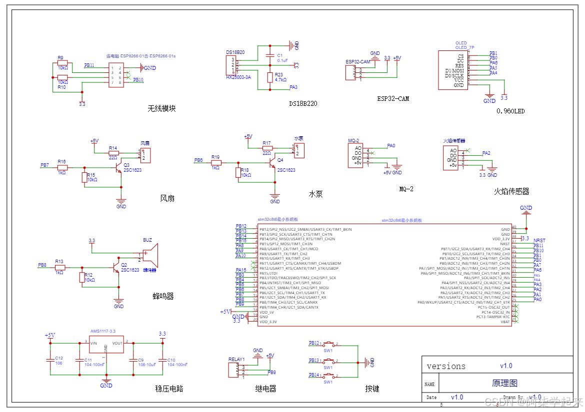
一 连线图
1 原理图

2. 开发板本身自带一个LED ,这个LED作为我们查看网络连接状态和获取数据状态的说明
(1)首先需要打开我们的WIFI热点让设备进行联网操作,看到显示数据界面,即可进行下一步功能测试
(2)硬件每隔几秒会向APP传输一次数据。
热点名字:NET密码:12345678,请使用2.4GHZ频率的无线网。
2 PCB效果


3 实物效果

4 APP效果



5 功能概括
(1)硬件端
- ESP8266-01s:使用wifi模块进行联网使用;
- STM32F103C8T6:用于所有程序的中控和模块数据通信;
- 温湿度传感器(DS18B20):用于检测环境的温度;
- 风扇控制:在检测到烟雾或有害气体浓度过高时,自动启动风扇进行通风。
- 自动喷水灭火:在检测到火灾时,自动启动喷水灭火系统(水泵)进行灭火。
- 0.96OLED显示器:显示厨房状态等信息
- 火焰传感器:用于检测厨房是否存在明火;
- MQ-2:用于检测环境的的有害气体浓度是否超过阈值;
- 蜂鸣器与LED:实现声光报警,用于异常数据的报警处理(火灾,有害);
- 按键:可以进行电器的一键控制;
- ESP32-CAM:可以使用APP进行图像获取
(2)APP端
- 使用MQTT协议与设备进行信息交互;
- 可采集到底层设备数据并且展示到界面UI;
- 可以远程设置温度报警阈值、有害气体浓度阈值;
- 可以远程查看数据是否超标,界面会出现提示信息;
- 可以一键控制排风扇开启和关闭;
- 可以设置对应的图像IP地址进行图像获取
(3)ESP32端
- APP填写对应的IP地址,即可查看图像


如果手机热点查看不到IP地址,可以直接使用电脑打开对应的热点信息,电脑可以直接查看到IP地址(电脑需要与APP在同一网络的环境下哦)

(3)云平台使用(需要可以找我获取)
只是链接各个设备使用,采用MQTT即时通讯;
(4)演示视频
通过网盘分享的文件:60.1.厨房监测系统-图传.mp4
链接: https://pan.baidu.com/s/1YvzwmQF9Mnq897Ou9UpZIQ?pwd=XZY0 提取码: XZY0
--来自百度网盘超级会员v6的分享
二 底层代码使用方式
1 使用说明
(1). 使用的时候设备会自动连接WIFI
热点名字:NET密码:12345678,请使用2.4GHZ频率的无线网。
(2). 按键一可以控制阀门开启和关闭
(多看视频,视频中有完整功能演示)
(多看视频,视频中有完整功能演示)
(多看视频,视频中有完整功能演示)
2 下载程序
- 先根据原理图进行连线,连接好以后在做后面的操作
- 打开手机热点 热点名字:NET密码:12345678
- 打开程序(硬件由工作室出的可以忽略下载程序这部分)







三 APP使用方式
1下载APP
(1)操作方式:
使用Android手机安装APK进行操控

安装Android studio导入项目使用模拟器
官网下载最新版本
https://developer.android.google.cn/studio?hl=zh-cn
安装包(工作室使用版本)链接:
https://pan.baidu.com/s/1DnRGWeJt7XBTmzqHj1KRSQ?pwd=xzy0
提取码:xzy0
安装教程
https://zhuanlan.zhihu.com/p/528196912
(2)使用说明
打开APP后设备会自动订阅MQTT主题,等待1-5秒APP会自动获取到设备上的数据,若5秒内没有获取到设备数据,则请检测设备是否在线,若在线,则请重新打开APP进行数据的获取
(多看视频,视频中有完整功能演示)
(多看视频,视频中有完整功能演示)
(多看视频,视频中有完整功能演示)
四 程序架构及修改(通用)
链接:
https://pan.baidu.com/s/1TZkvdEOp-ERgi-2A1o-KWw?pwd=XZY0
提取码:XZY0
APP参数修改

魔乐社区(Modelers.cn) 是一个中立、公益的人工智能社区,提供人工智能工具、模型、数据的托管、展示与应用协同服务,为人工智能开发及爱好者搭建开放的学习交流平台。社区通过理事会方式运作,由全产业链共同建设、共同运营、共同享有,推动国产AI生态繁荣发展。
更多推荐



所有评论(0)