【物联网毕设】智能能源监控-4G+STM32+APP
该系统通过STM32F103C8T6作为核心控制器,集成4G模块实现远程联网通信,并利用温湿度传感器(DHT11)、MQ-2烟雾传感器及电压电流检测模块实时监测环境参数。0.96寸OLED显示屏直观展示设备状态,当检测到烟雾浓度超标、温度过高或功率超过设定阈值时,系统通过蜂鸣器报警,并自动触发继电器切断电源或启动风扇通风。APP端基于MQTT协议与硬件交互,提供数据可视化、阈值设置及远程一键断电功
目录
前言
该系统通过STM32F103C8T6作为核心控制器,集成4G模块实现远程联网通信,并利用温湿度传感器(DHT11)、MQ-2烟雾传感器及电压电流检测模块实时监测环境参数。0.96寸OLED显示屏直观展示设备状态,当检测到烟雾浓度超标、温度过高或功率超过设定阈值时,系统通过蜂鸣器报警,并自动触发继电器切断电源或启动风扇通风。APP端基于MQTT协议与硬件交互,提供数据可视化、阈值设置及远程一键断电功能,实现异常情况的实时预警与智能控制。
关注微信公众号--星之援工作室 发送关键字(项目清单)
可获取项目清单资料
➡️🫡🫡🫡🫡🫡🫡🫡🫡➡️
⚠️⚠️(本文章仅提供思路和实现方法,并不包含代码,需要代码的同学请自行联系博主)
⚠️⚠️(有疑问或需要定制或者技术支持等,也请自行联系博主)⚠️⚠️
一 连线图
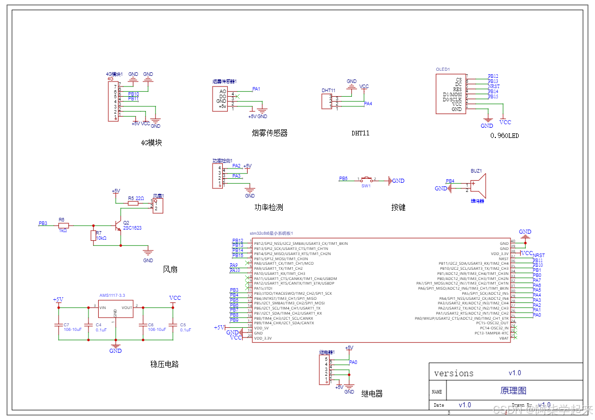
1. 原理图

2. 开发板本身自带一个LED ,这个LED作为我们查看网络连接状态和获取数据状态的说明
(1)说明我们已经连接上云平台,OLED显示屏中会显示联网状态,若MCU上面的的LED处于闪烁状态,则说明我们的设备处于正常运行,若LED灯不再闪烁,请按复位键将程序手动复位一次
(2)硬件每隔几秒会向APP传输一次数据。
4G模块需要先插入SIM卡使用,否则连不上网络
2. PCB效果


3. 实物效果

4. APP效果

5. 功能概括
(1)硬件端
- 4G模块:使用4G模块进行联网使用;
- 0.96寸OLED:用于显示的设备的状态,实现实时监测;
- STM32F103C8T6:用于所有程序的中控和模块数据通信;
- 温湿度传感器(DHT11):用于检测环境的温度和湿度;
- MQ-2烟雾传感器:用于检测环境的的烟雾浓度是否超过阈值,可以自动断电;
- 电压电流检测:可以实时测量的有效电压,电流。以及功率
- 继电器:设置功率阈值,若设备监测到超过功率,会自动一键关闭
- 按键:可以实现一键断电功能
风扇:检测到温度过高,自动开启风扇通风
检测到异常情况,蜂鸣器报警.
(2)APP端
- 使用MQTT协议与设备进行信息交互;
- 可采集到底层设备数据并且展示到界面UI;
- 可以设置烟雾浓度阈值,以达到报警提醒的效果可以远程查看数据是否超标,界面会出现提示信息;
- 可以控制实现一键断电功能
- 可以设置功率阈值,若设备监测到超过阈值,会自动断电
(3)云平台端
使用MQTT协议相互通信
(4)演示视频
通过网盘分享的文件:149.1.智能能源监控-4G.mp4
链接:
https://pan.baidu.com/s/1XpIC-fg5iJO1VaU1MRCwAA?pwd=XZY0
提取码: XZY0
--来自百度网盘超级会员v6的分享
二 底层代码使用方式
1. 使用说明


(2). 当设备处于正常状态的时候,开发板上面的LED会处于闪烁的状态。
(多看视频,视频中有完整功能演示)
(多看视频,视频中有完整功能演示)
(多看视频,视频中有完整功能演示)
2. 下载程序
- 先根据原理图进行连线,连接好以后在做后面的操作
- 打开手机热点 热点名字:NET密码:12345678
- 打开程序(硬件由工作室出的可以忽略下载程序这部分)
- 打开程序(硬件由工作室出的可以忽略下载程序这部分)






三 APP使用方式
1 下载APP
(1)操作方式:
使用Android手机安装APK进行操控

安装Android studio导入项目使用模拟器
Android studio下载链接
官网下载最新版本
https://developer.android.google.cn/studio?hl=zh-cn
安装包(工作室使用版本)链接:
https://pan.baidu.com/s/1DnRGWeJt7XBTmzqHj1KRSQ?pwd=xzy0
提取码:xzy0
安装教程
https://zhuanlan.zhihu.com/p/528196912
(2)使用说明
打开APP后设备会自动订阅MQTT主题,等待1-5秒APP会自动获取到设备上的数据,若5秒内没有获取到设备数据,则请检测设备是否在线,若在线,则请重新打开APP进行数据的获取
(多看视频,视频中有完整功能演示)
(多看视频,视频中有完整功能演示)
(多看视频,视频中有完整功能演示)
四 程序架构及修改(通用)
链接:
https://pan.baidu.com/s/1TZkvdEOp-ERgi-2A1o-KWw?pwd=XZY0
提取码:XZY0
APP参数修改

魔乐社区(Modelers.cn) 是一个中立、公益的人工智能社区,提供人工智能工具、模型、数据的托管、展示与应用协同服务,为人工智能开发及爱好者搭建开放的学习交流平台。社区通过理事会方式运作,由全产业链共同建设、共同运营、共同享有,推动国产AI生态繁荣发展。
更多推荐


所有评论(0)