电流三段式保护matlab simulink仿真模型 模拟线路50%处、90%处,下级线路开关...
在电力系统中,电流三段式保护是一种常见的保护方式,主要用于检测和隔离故障。今天我们来聊聊如何在Matlab Simulink中搭建一个电流三段式保护的仿真模型,并模拟线路50%处和90%处,以及下级线路开关拒动时的断路器动作情况。通过这个简单的Simulink模型,我们可以直观地看到电流三段式保护在实际电力系统中的应用。通过调整故障点的位置和延迟时间,我们可以模拟不同的故障场景,并验证电流三段式保
电流三段式保护matlab simulink仿真模型 模拟线路50%处、90%处,下级线路开关拒动时的断路器动作情况,断路器故障电流

在电力系统中,电流三段式保护是一种常见的保护方式,主要用于检测和隔离故障。今天我们来聊聊如何在Matlab Simulink中搭建一个电流三段式保护的仿真模型,并模拟线路50%处和90%处,以及下级线路开关拒动时的断路器动作情况。

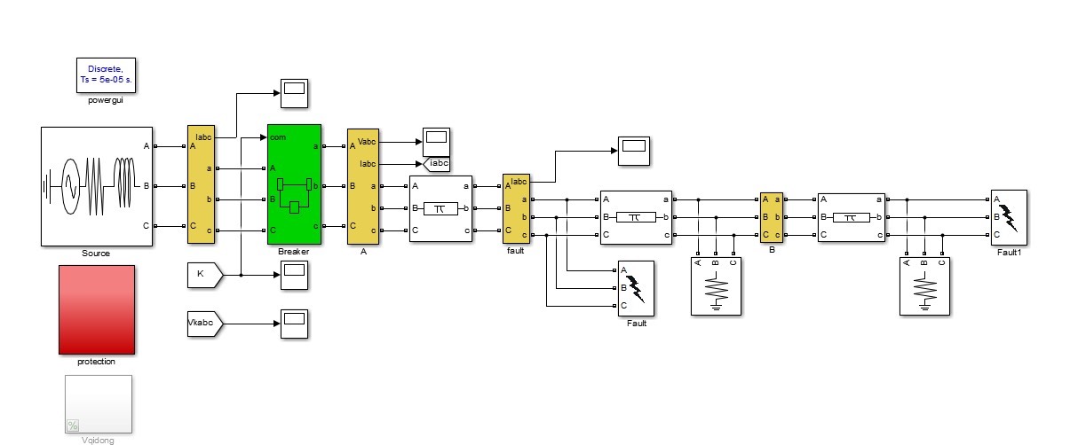
首先,我们需要在Simulink中建立一个简单的电力系统模型。这个模型包括电源、传输线路、负载以及断路器。为了方便起见,我们可以使用Simulink中的“Simscape Electrical”库来搭建这个模型。
% 创建一个简单的电力系统模型
model = 'CurrentProtectionModel';
open_system(new_system(model));
% 添加电源、传输线路、负载和断路器
add_block('Simscape/Electrical/Sources/AC Voltage Source', [model '/AC Source']);
add_block('Simscape/Electrical/Lines/Transmission Line', [model '/Transmission Line']);
add_block('Simscape/Electrical/Loads/Resistive Load', [model '/Load']);
add_block('Simscape/Electrical/Switches/Breaker', [model '/Breaker']);
% 连接各个组件
add_line(model, 'AC Source/1', 'Transmission Line/1');
add_line(model, 'Transmission Line/2', 'Breaker/1');
add_line(model, 'Breaker/2', 'Load/1');
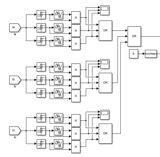
接下来,我们需要配置电流三段式保护。电流三段式保护通常包括瞬时过流保护、定时限过流保护和反时限过流保护。我们可以使用Simulink中的“Protection”库来实现这些保护功能。
% 添加电流三段式保护模块
add_block('Simscape/Electrical/Protection/Instantaneous Overcurrent', [model '/Instantaneous Overcurrent']);
add_block('Simscape/Electrical/Protection/Time Overcurrent', [model '/Time Overcurrent']);
add_block('Simscape/Electrical/Protection/Inverse Time Overcurrent', [model '/Inverse Time Overcurrent']);
% 连接保护模块到断路器
add_line(model, 'Instantaneous Overcurrent/1', 'Breaker/1');
add_line(model, 'Time Overcurrent/1', 'Breaker/1');
add_line(model, 'Inverse Time Overcurrent/1', 'Breaker/1');
现在,我们可以模拟线路50%处和90%处的故障情况。为了实现这一点,我们需要在传输线路的中间位置添加一个故障点。
% 添加故障点
add_block('Simscape/Electrical/Faults/Three-Phase Fault', [model '/Fault']);
% 将故障点连接到传输线路的50%和90%处
add_line(model, 'Transmission Line/1', 'Fault/1');
add_line(model, 'Fault/2', 'Transmission Line/2');
最后,我们需要模拟下级线路开关拒动的情况。这可以通过在断路器控制信号中添加一个延迟来实现。
% 添加延迟模块
add_block('Simulink/Discrete/Transport Delay', [model '/Delay']);
% 连接延迟模块到断路器控制信号
add_line(model, 'Delay/1', 'Breaker/1');
完成这些步骤后,我们就可以运行仿真并观察断路器的动作情况了。通过调整故障点的位置和延迟时间,我们可以模拟不同的故障场景,并验证电流三段式保护的有效性。
% 运行仿真
sim(model);
% 查看仿真结果
scope = find_system(model, 'BlockType', 'Scope');
open_system(scope{1});
通过这个简单的Simulink模型,我们可以直观地看到电流三段式保护在实际电力系统中的应用。希望这篇文章能帮助你更好地理解电流三段式保护的原理和实现方法。如果你有任何问题或建议,欢迎在评论区留言讨论!




魔乐社区(Modelers.cn) 是一个中立、公益的人工智能社区,提供人工智能工具、模型、数据的托管、展示与应用协同服务,为人工智能开发及爱好者搭建开放的学习交流平台。社区通过理事会方式运作,由全产业链共同建设、共同运营、共同享有,推动国产AI生态繁荣发展。
更多推荐

所有评论(0)