FT8374FBA/FT8374FCA/FT8374FS_FB高性能同步整流芯片详细解析
FT8374系列高性能同步整流芯片,凭借集成MOS、极简外围、超快响应等优势,广泛应用于USB PD快充、适配器、充电器等场景。本文将围绕 FT8374FBA / FT8374FCA / FT8374FS_FB 三款主流型号,深入解析其核心特性、典型应用电路、封装管脚定义及订购信息,助力工程师快速选型与设计优化。如需进一步了解 FT8374系列 的实测数据、热性能或替代方案,建议在PCB设计中结合
在开关电源技术持续演进的当下,同步整流(SR)技术已成为提升反激式转换器效率的关键手段。FT8374系列高性能同步整流芯片,凭借集成MOS、极简外围、超快响应等优势,广泛应用于USB PD快充、适配器、充电器等场景。本文将围绕 FT8374FBA / FT8374FCA / FT8374FS_FB 三款主流型号,深入解析其核心特性、典型应用电路、封装管脚定义及订购信息,助力工程师快速选型与设计优化。
芯片特性概览:高效率与低损耗的典范
| 特性 | FT8374FBA | FT8374FCA | FT8374FS / FB |
|---|---|---|---|
| 支持工作模式 | CCM / QR / DCM | CCM / QR / DCM | QR / DCM |
| 输出电压范围 | 3.3V ~ 21V | 3.3V ~ 21V | 3.3V ~ 21V |
| 集成MOS耐压 | 60V | 63V | 60V |
| 导通电阻(Rds(on)) | 13mΩ | 10mΩ | 25mΩ(FS)/ 13mΩ(FB) |
| 开启/关断延迟 | 20ns | 20ns | 20ns |
| 外围元件数量 | 仅需1个VDD电容 | 同上 | 同上 |
| 推荐应用功率 | PD 20W(12V/2.5A) | PD 25~30W | 12V/1.5A(FS) 12V/2.5A(FB) |
✅ 总结:
-
FBA 适用于主流20W PD快充,兼顾效率与成本;
-
FCA 为高效率版本,Rds(on)更低,适合25~30W应用;
-
FS/FB 针对QR/DCM优化,适用于中低功率段,FB为FS的高电流版本。
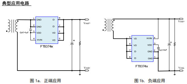
典型应用电路:支持正负端灵活配置
FT8374系列支持 正端与负端两种整流方式,可灵活适应不同变压器结构与输出极性要求。

1. 正端应用(Positive Output)
适用于输出正极整流,典型用于大多数反激电源设计。
Vout+ → D引脚(内部MOS Drain)
VD引脚 → 检测MOS两端电压
VDD → 接0.47~1uF电容至GND
HVIN → 外部供电(可选)
2. 负端应用(Negative Output)
适用于输出负极整流,常见于特殊结构电源或隔离型设计。
Vout- → D引脚
VD引脚 → 检测电压
VDD → 接电容至GND
⚠️ 注意:无论正负端应用,仅需一个VDD电容,极大简化BOM。
封装与管脚定义:SOP8标准化设计
三款芯片均采用 SOP8封装,管脚排列一致,便于替换与兼容。

✅ 设计建议:
-
VD引脚应尽量靠近MOS两端,避免布局误差导致误动作;
-
VDD电容建议选用X7R材质,容值0.47~1μF,确保供电稳定。
订购信息:清晰编码,便于识别

✅ 命名规则解析:
-
第5位字母代表Rds(on)等级(S/B/C)
-
后缀RT为编带,RB为管装
-
所有型号均符合RoHS与绿色封装标准
应用场景与选型建议
| 应用需求 | 推荐型号 | 理由 |
|---|---|---|
| 20W PD快充(如iPhone充电器) | FT8374FBA | 成熟方案,性价比高 |
| 25~30W高功率快充(如PPS) | FT8374FCA | Rds(on)更低,效率更高 |
| 小功率适配器(12W以内) | FT8374FS | 成本优化,适合QR模式 |
| 12V/2.5A中等功率 | FT8374FB | 与FBA性能相近,适合QR结构 |
总结:FT8374系列的价值优势
-
高集成度:内置MOS,减少外围器件
-
超简设计:仅需1个VDD电容,降低BOM成本
-
极速响应:20ns开关延迟,提升整流效率
-
灵活应用:支持正负端接法,适配多种拓扑
-
广泛适用:覆盖10W~30W快充与适配器市场
如需进一步了解 FT8374系列 的实测数据、热性能或替代方案,建议在PCB设计中结合实际散热条件进行测试验证,或咨询三佛科技技术支持获取完整版规格书与应用笔记。
魔乐社区(Modelers.cn) 是一个中立、公益的人工智能社区,提供人工智能工具、模型、数据的托管、展示与应用协同服务,为人工智能开发及爱好者搭建开放的学习交流平台。社区通过理事会方式运作,由全产业链共同建设、共同运营、共同享有,推动国产AI生态繁荣发展。
更多推荐
所有评论(0)