中颖51芯片学习8. ADC模数转换
ADC(Analog-to-Digital Converter)是一种将模拟信号转换为数字信号的电路或模块,以将来自外部传感器或其他模拟设备的模拟电压信号转换为处理器能处理的数字信号。ADC转换中,采样率SPS(Samples Per Second),即每秒样本数用来衡量采样的速度,它的单位通常用Hz表示, 即 1SPS=1Hz。分辨率:具有12位分辨率,能够将模拟信号转换为数字数据,并提供高精度
中颖51芯片学习8. ADC模数转换

*本文示例使用芯片型号是中颖 SH79F9476 *
一、ADC工作原理简介
1. 概念
ADC(Analog-to-Digital Converter)是一种将模拟信号转换为数字信号的电路或模块,以将来自外部传感器或其他模拟设备的模拟电压信号转换为处理器能处理的数字信号。
ADC转换中,采样率SPS(Samples Per Second),即每秒样本数用来衡量采样的速度,它的单位通常用Hz表示, 即 1SPS=1Hz。
2. ADC实现方式
ADC(模数转换器)的实现方式主要有以下几种:
-
逐次逼近型 ADC(Successive Approximation ADC):它是一种常见且常用的 ADC 实现方式,通过逐步逼近输入信号的模拟值,直到找到与其最接近的数字量化值。逐次逼近型 ADC 的精度通常较高,适用于许多应用场景。
-
积分型 ADC(Integrating ADC):积分型 ADC 基于模拟输入信号的积分过程。它通过将输入信号与一个可调电压比较器连接,并将积分电压与参考电压进行比较,以确定输入信号的大小。积分型 ADC 通常用于需要高精度和高速度的应用中。
-
逐渐逼近积分型 ADC(Ramp-compare ADC):逐渐逼近积分型 ADC 通过对输入信号进行积分,并在积分值达到某个阈值时停止。这种类型的 ADC 通常用于低速和低精度的应用中。
-
Sigma-Delta(Σ-Δ)ADC:Sigma-Delta ADC 是一种利用过采样技术和反馈控制来实现高精度和低成本的 ADC。它通过将模拟输入信号与 DAC 输出信号相减,并将结果输入一个积分器中,以产生一个误差信号,然后将误差信号作为反馈输入,以调整 DAC 输出。这种方式的 ADC 通常用于需要极高分辨率和动态范围的应用中,如音频处理和传感器接口。
本文介绍的中颖C51芯片使用12位逐次逼近型模数转换器,其结构框图如下图所示:
3. 基准电压
基准电压在模数转换器(ADC)中是用作参考电压的稳定源,用于将输入信号的模拟电压转换为数字数据。
当选择 VDD 作为基准电压时,ADC 将使用芯片的供电电压作为参考电压。这种情况下,ADC 的输出将直接受到芯片供电电压的影响。
选择外部 VREF 端口输入作为基准电压时,可以通过外部电路提供一个稳定的参考电压。这样可以消除芯片供电电压的波动对 ADC 输出的影响,从而提高 ADC 的测量精度和稳定性。
二、中颖芯片ADC功能介绍
1. 中颖芯片ADC特性
- 分辨率:具有12位分辨率,能够将模拟信号转换为数字数据,并提供高精度的测量。
- 参考电压:可选择使用外部VREF或芯片内部的VDD作为基准电压。
- 模拟输入通道:最多有9路模拟输入通道(CH0 - CH8),可以配置为转换序列中的任意一路。
- 转换序列:启动一次ADC转换可以自动完成多通道转换(序列),每个通道都可以配置为转换序列中的一部分,最多可包含8个通道。
- 转换速率:其中7路通道的转换速率为100KSPS,而2路通道的转换速率最高可达1MSPS。
- 时间间隔设置:序列中相邻通道之间的转换时间间隔可以由软件通过寄存器设置。
- 转换精度提高:对于单个信道,在模拟输入电压源推荐阻抗超出规定值时,可以通过增加采样时间来提高ADC精度。
2. ADC触发源
中颖C51芯片ADC触发方式可分为软件触发和硬件触发,硬件触发信号优先于软件触发信号,硬件触发又分为4种方式。
(1)软件触发
通过将ADCON1中的ADON位置1,这样可以使能ADC模块的时钟ADC_CLK,同时令ADON位置1可以令ADC模块中的模拟电路上电,从而触发ADC转换。
(2)TIMER4定时器触发
TIMER4 定时器触发方式下,ADC 的启动由 TIMER4 溢出信号触发。
(3)外部中断2触发
外部中断2 触发方式下,ADC 的启动由 外部中断2触发,可配置为上升沿、下降沿、双沿触发。
(4)PCA0计数器触发
PCA0 计数器触发方式下,ADC 的启动由 PCA0 计数器产生的计数器中断触发。
(5)PWM1触发
PWM1 触发方式下,ADC 的启动由 PWM1 模块产生的脉冲信号触发。当 PWM1 输出的脉冲信号的某个特定边沿到达时,会触发 ADC 启动,从而开始进行模数转换。这种触发方式适用于需要与 PWM1 输出同步触发 ADC 转换的场景,通常用于需要测量脉冲信号的周期或占空比的应用中。
3. ADC 触发优先级
(1)硬件触发优先级高于软件触发
当软件处于ADC工作状态,硬件触发会终止先前的ADC转换而重新启动一次序列转换,转换值会覆盖先前的结果。
在硬件触发ADC工作状态,软件再次触发无效。
(2)硬件触发信号的优先级
后触发发硬件ADC覆盖先触发的硬件ADC。
如:PWM1模块的触发ADC工作状态,又进来一次Timer4的触发信号,则ADC重新启动一次,转换值将覆盖先前的结果;
反之Timer4触发序列的转换过程中,又进来一次PWM1的触发信号,则也会终止先前的转换,重新启动一次序列,转换值覆盖先前的结果。
4. ADC转换步骤
(1)软件ADC转换步骤
-
使能ADC模块:在程序中设置相应的寄存器(例如ADCON1)来启用ADC模块。
-
选择参考电压:根据需要选择ADC模块的参考电压,可以是芯片的VDD或外部VREF引脚上的电压。
-
设置转换序列:配置转换序列,包括选择转换的通道数以及每个通道的模拟输入。
-
清零ADC中断标志:在开始转换前,将ADC中断标志位(ADCIF)清零,以便在转换完成后进行检查。
-
启动ADC转换:将GO/DONE位设置为1,开始ADC转换过程。
-
等待转换完成:在转换过程中,程序需要等待ADC转换完成。可以通过轮询ADCIF位或者使用ADC转换完成中断来检查转换是否完成。
-
读取转换结果:转换完成后,读取结果寄存器中的转换结果。根据需要,可以对结果进行后续处理或者存储。
-
重复转换:根据需要,可以重复以上步骤进行下一次ADC转换。
(2)硬件ADC转换步骤
-
使能ADC模块:同样,在程序中设置相应的寄存器来启用ADC模块。
-
选择参考电压:选择ADC模块的参考电压,可以是芯片的VDD或外部VREF引脚上的电压。
-
设置转换序列:配置转换序列,包括选择转换的通道数以及每个通道的模拟输入。
-
设置触发源:通过设置相关寄存器(例如ADCON1)来选择硬件触发ADC转换的源,可以是定时器、PWM模块、外部中断等。
-
清零ADC中断标志:同样,在开始转换前,将ADC中断标志位清零。
-
等待转换完成:在硬件触发的情况下,程序需要等待转换完成。转换完成后,可以通过轮询ADCIF位或者使用ADC转换完成中断来检查。
-
读取转换结果:转换完成后,读取结果寄存器中的转换结果。
-
重复转换:根据需要,可以重复以上步骤进行下一次ADC转换。
三、寄存器介绍
1. 整体介绍
ADC模块使用以下寄存器:
| 功能 | 名称 | 寄存器描述 |
|---|---|---|
| ADC时钟设置 | ADT | 设置ADC时钟与采样时间 |
| ADC控制1 | ADCON1 | AD模块使能、启动、参考电压的选择、及ADC转换完成中断标志、事件触发设置 |
| ADC控制2 | ADCON2 | 序列信道总数设置、相邻通道之间时间间隔设置 |
| 映像控制 | SEQCON | 通道及转换结果映像控制、转换结果对齐方式设置 |
| AD信道配置1 | ADCH1 | 设置AD信道引脚为AD信道功能或I/O功能 |
| AD信道配置2 | ADCH2 | 设置AD信道引脚为AD信道功能或I/O功能 |
| 通道和转换顺序设置 | SEQCHx | 指定序列中的通道以及转换顺序,x = 0 - 7 |
| ADC结果寄存器低位 | ADDxL | SEQCHx中指定通道转换值的低位,x = 0 - 7 |
| ADC结果寄存器高位 | ADDxH | SEQCHx中指定通道转换值的高位,x = 0 - 7 |
2. ADC时钟寄存器
(1)位功能

(2)采样时间与转换时间
时钟寄存器可以用来设置采样时间,要注意的是采样时间范围是:
2 t A D ≤ 采样时间 ≤ ( T S [ 3 : 0 ] + 1 ) ∗ t A D ≤ 15 t A D 2t_{AD} ≤ 采样时间 ≤ (TS[3:0]+1) * t_{AD} ≤ 15t_{AD} 2tAD≤采样时间≤(TS[3:0]+1)∗tAD≤15tAD
转换时间的公式如下:
一个通道的总转换时间 = 14 t A D + 采样时间 一个通道的总转换时间=14t_{AD}+采样时间 一个通道的总转换时间=14tAD+采样时间
示例: 系统时钟24M,TADC[2:0] 设置为 1111,
1/24M ≈ 0.042
t A D = 0.042 ∗ 192 = 8.064 u s t_{AD}=0.042*192=8.064us tAD=0.042∗192=8.064us
采样时间 = 28.064=16.128us
单通道转换时间 148.064+16.128=129.024us 。
可以通过表格查询:
3. ADC控制寄存器1

位说明:
- bit7 ADON: ADC的允许位,0:禁止ADC模块 ;1:允许 ADC模块;
- bit6 ADCIF:ADC中断标志位,0:无ADC中断,由软件清0 ;1:完成ADC转换
- bit5 REFC:基准电压选择位,0:VDD为基准电压;1:外部 R E F 端口输入为基准电压 _{REF}端口输入为基准电压 REF端口输入为基准电压
- bit4 XTRGEN:外部中断2信号启动序列转换控制位,0:禁用;1启用;
- bit3 PCATRGEN:PCA0触发ADC,0:禁用;1:启用;
- bit2 PWMTRGEN:PWM1触发ADC,0:禁用;1:启用;
- bit1 TIMTRGEN:Timer4溢出触发ADC,0:禁用;1:启用;
- bit0 GO/DONE:ADC启动控制/状态标志位,0:完成AD转换时,由硬件清0;1:开始AD转换,可由软件清0终止转换;
4. ADC控制寄存器2

位功能说明:
5. 映射控制寄存器

位功能说明:
6. ADC信道配置寄存器1

7. ADC信道配置寄存器2

8. 通道寄存器

9. 结果寄存器


位说明:
四、单次转换示例
下面示例使用AN0输入模拟信号,ADC转换后通过串口输出转换值。
需要注意的是,输入引脚如果悬空,则获取的数据会浮动不准确。
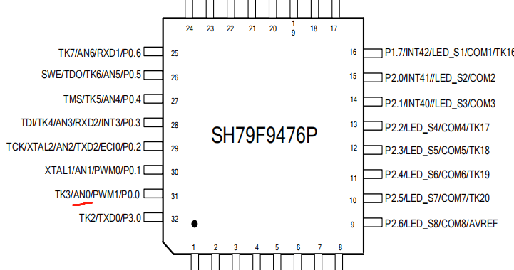
1. 引脚示例

2. adc_utils.c
/**
* @brief ADC的单一通道转换(AN0)。
*
* 配置ADC使用VDD作为电压参考,没有触发。
* 系统时钟设置为24M,ADC设置为50ksps采样。
* 软件开始ADC转换,结果存储在ADC_res数组中。
*/
void init_adc_one(void){
CLKCON = 0X00; // 设置时钟控制寄存器
ADCON1 = 0x80; // 设置ADC控制寄存器1(ADON,VDD作为vref,没有触发)
// 设置ADC时钟周期以实现24M SYSCLK下的50ksps
ADT=0x95;
ADCON2 = 0x00; // 设置ADC控制寄存器2为1通道
ADCH1 = 0x01; // 设置ADC通道选择寄存器1为AN0
SEQCHX = 0x00; // 设置ADC序列控制寄存器为CH0
}
/**
* @brief ADC的单一通道转换(AN0)。
* @return
*/
UINT16 adc_one_trans(void){
UINT16 result;
// 启动ADC转换
ADCON1 |= 0x01; // 设置ADC GO位
while(ADCON1 & 0x01); // 等待ADC转换完成(检查go/done位)
result = ((ADDXH << 4) + (ADDXL >> 4)); // 在ADC_res数组中存储ADC结果
return result;
}
3. main.c函数
#include "SH79F9476.h"
#include "clk_utils.h"
#include "cpu.h"
#include "isr_utils.h"
#include "adc_utils.h"
#include "euart_utils.h"
void delay_us(void) {
UINT16 i;
for (i = 0; i < 1000; i++);
}
void delay_ms(UINT16 ms) {
UINT16 i;
for (i = 0; i < ms; i++)
delay_us();
}
void main() {
UINT16 result;
// 选择高速时钟
highFrequenceClk();
// 初始化串口
uart0_init();
// 开启中断
enableAllIsr();
enableAdcIsr();
init_adc_one();
while (1) {
// ADC转换
result = adc_one_trans();
// 高位
uart0_send_byte((u8)(result >> 8));
// 低位
uart0_send_byte((u8) result);
// 暂停1s
delay_ms(600);
}
}
4. 实验步骤
代码选项设置如下:
通过AN0(P0.0)输入模拟信号,观察串口输出电压值。
五、序列转换
ADC转换序列可以由单个信道或多个信道组成,对序列进行转换,即对序列中的通道进行逐个转换。 下面示例对AN7~AN0 进行ADC转换,结果按顺序存放在ADC_res[8]数组里。
/**
* @brief ADC的多通道转换(AN0~AN7)。
*/
void init_adc_array(void){
UINT16 ADC_res[8];
UCHAR i=0; // 初始化索引变量
CLKCON = 0X00; // 设置时钟控制寄存器
ADCON1 = 0x80; // 设置ADC控制寄存器1(ADON,VDD作为vref,没有触发)
// 24M SYSCLK, 50ksps
ADT=0x95;
ADCON2 = 0x72; // 8通道,间隔时间:4Tad
ADCH1 = 0xff; // P0.7~P0.0,AN7~AN0通道作为adc输入
// 配置通道交易顺序:AN7,AN6, AN5, AN4, AN3, AN2, AN1, AN0
SEQCON = 0x00; // 配置SEQCH0
SEQCHX = 0x07; // CH7
SEQCON = 0x01; // 配置SEQCH1
SEQCHX = 0x06; // CH6
SEQCON = 0x02; // 配置SEQCH2
SEQCHX = 0x05; // CH5
SEQCON = 0x03; // 配置SEQCH3
SEQCHX = 0x04; // CH4
SEQCON = 0x04; // 配置SEQCH4
SEQCHX = 0x03; // CH3
SEQCON = 0x05; // 配置SEQCH5
SEQCHX = 0x02; // CH2
SEQCON = 0x06; // 配置SEQCH6
SEQCHX = 0x01; // CH1
SEQCON = 0x07; // 配置SEQCH7
SEQCHX = 0x00; // CH0
SEQCON &= 0x7f; // 结果左对齐
// SEQCON |= 0x80; // 结果左对齐
// 启动AD转换
ADCON1 |= 0x01;
while(ADCON1 & 0x01); // 检查go/done
// 获取结果。
for(i = 0; i < 8; i++)
{
SEQCON = i; // 设置SEQCON为当前索引
ADC_res[i] = ((ADDXH << 4) + (ADDXL >> 4)); // 在ADC_res数组中存储ADC结果
}
}
本文学习资源参考中颖官方文档
本文代码开源地址:https://gitee.com/xundh/learn-sinowealth-51.git
魔乐社区(Modelers.cn) 是一个中立、公益的人工智能社区,提供人工智能工具、模型、数据的托管、展示与应用协同服务,为人工智能开发及爱好者搭建开放的学习交流平台。社区通过理事会方式运作,由全产业链共同建设、共同运营、共同享有,推动国产AI生态繁荣发展。
更多推荐

所有评论(0)