应用方案 | DCDC电源管理芯片MC34063A
MC34063A 为一单片 DC-DC 变换集成电路,内含温度补偿的参考电压源(1.25V)、比较器、能有效限制电流及控制工作周期的振荡器,驱动器及大电流输出开关管等。外配少量元件,就能组成升压、降压及电压反转型 DC-DC 变换器。
·
MC34063A 为一单片 DC-DC 变换集成电路,内含温度补偿的参考电压源(1.25V)、比较器、能有效限制电流及控制工作周期的振荡器,驱动器及大电流输出开关管等。外配少量元件,就能组成升压、降压及电压反转型 DC-DC 变换器。
MC34063芯片基本参数
MC34063芯片基本参数如下:

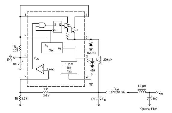
应用线路图
基本应用线路图如下:

测试参数
上述应用线路在DEMO板上测试参数如下:

整机板测试
在整机板上,测试空载纹波,MC34063输出纹波正常,具体见下图:

魔乐社区(Modelers.cn) 是一个中立、公益的人工智能社区,提供人工智能工具、模型、数据的托管、展示与应用协同服务,为人工智能开发及爱好者搭建开放的学习交流平台。社区通过理事会方式运作,由全产业链共同建设、共同运营、共同享有,推动国产AI生态繁荣发展。
更多推荐

所有评论(0)