PowerVR开发工具和SDK 2020 Release 1发布啦!
期待已久的PowerVR开发工具和SDK 2020年的第一个发行版本终于面市了。尽管面临来自世界各地的挑战,DevTech团队一直在努力工作,为整个市场提供最好的图形开发工具。任何想体验我们开发工具最新版本的用户请直接点击下方链接:下载PowerVR SDK 2020 Relese 1那么新版本有哪些新特性呢?PVRCarbonPVRCarbon是针对OpenGL ES和Vulkan的API追踪和
期待已久的PowerVR开发工具和SDK 2020年的第一个发行版本终于面市了。
尽管面临来自世界各地的挑战,DevTech团队一直在努力工作,为整个市场提供最好的图形开发工具。
任何想体验我们开发工具最新版本的用户请直接点击下方链接:
那么新版本有哪些新特性呢?
PVRCarbon
PVRCarbon是针对OpenGL ES和Vulkan的API追踪和调试工具。它能够更深入的探查应用程序是如何与图形API进行交互的。同时它还有一个简单的应用程序记录接口,让你只需要点几下鼠标就可以记录下远程设备上的API调用。这些记录可以在任何支持PVRCarbon的设备上使用,实现了真正的跨平台分析。

这次我们向PVRCarbon中添加了更多强大的分析功能,因此相比以往调试和优化应用程序更加的容易。
静态应用分析
现在PVRCarbon一旦载入API调用记录就会自动执行静态分析。这将会为你提供一份关于应用程序任何问题的即时报告以及如何修复这些问题的建议。这份报告可以根据问题的类型进行过滤,包括API错误、着色器错误以及不同级别的警告。

可见的调用列表
PVRCarbon现在还允许根据API、框架、调用类型和UID过滤显示的API调用,这样你就可以摆脱一些影响,集中精力分析问题的症结所在。
其他更新
和往常一样,我们对PVRCarbon做了很多小的更新以及bug修复,包括:GUI支持新的深色融合主题(见上面的截图)。这是默认主题,但是系统默认颜色可以在个性化窗口中重新选择。启动界面也进行了更新,包括最近打开文件的链接,远程记录窗口以及各种许可证文件。
PVRCarbon有一些新的命令行接口包括静态分析,静态分析CLI将生成与GUI中静态分析相同的输出结果。
PVRTune
PVRTune是我们开发的世界领先的硬件分析和应用分析工具,它将硬件数据资源整理成数百个可切换的计数器,这些计数器会在GUI上显示。这些计数器可以准确的说明应用程序是如何对GPU的不同单元“施加压力”的,并且可以更容易的看到性能瓶颈的原因。

那么PVRTune有哪些更新呢?
Logcat窗口
我们添加了一个Logcat小组件,它会将来自Android设备的logcat输出进行流处理。这些输出可以根据PID、标签(tag)和优先级进行过滤。有关logcat的更多信息请参阅《Android开发者用户指南》。

Logcat PID选择
深度融合主题
与PVRCarbon类似,PVRTune现在也支持深度融合主题,这是默认的颜色方案,但是原始系统默认方案可以在个性化窗口中重新选择。

PVRTune的时间轴
PVRTune Complete
有些人可能已经知道了,除了PVRTune Developer(在我们网站上可以免费获取的版本)我们还提供PVRTune Complete工具,这是PVRTune的全功能版本,只有在NDA授权下才能使用。
PVRTune Complete的更新包括:
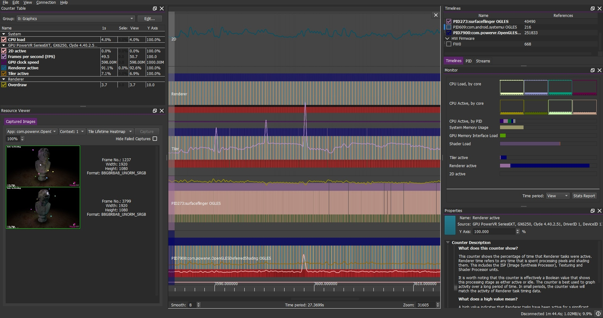
① 支持捕获“Tile Lifetime Tracking(TLT)”数据,PVRTune将从捕获的TLT数据中自动生成热力图,这可以通过“资源查看”组件进行查看。
注:TLT数据仅能从IMG A-Series器件上获得。

热力图
② 改进了器件电源事件的处理,PVRTune现在考虑到一些电源事件是器件内部域电源的打开或关闭,而另一些是器件电源的打开或关闭,这可以防止在时间图上显示不正确的HWR区域。
③ 连接页面添加了新的“计划资源捕获”小组件,这允许用户在与设备建立连接之前对资源捕获进行安排。注意这个特性仅在使用远程部署并选择用于PVRTune启动的应用程序时才可用。这使得PVRTune能够自动选择合适的PID和GLES内容ID。此外该选项将启用客户端API EGL和客户端GLES PVRPerfServer定时选项。由于PVRTune和驱动程序之间存在延迟,因此不能精确的保证请求完全匹配的帧数。
④ 更新资源查看UI,包括提升生成捕获资源缩略图时的性能。
点击下方按钮请求PVRTune Complete的副本或者通过Ticket系统(https://pvrsupport.imgtec.com/)联系我们。
PowerVR SDK
PowerVR SDK是我们的图形开发包,它简化了PowerVR器件的开发,主要由两部分组成:
示例
OpenGL ES、Vulkan和OpenCL应用程序示例的集合,这些示例涵盖了广泛的应用场景,从你开始第一个应用程序到实现一个高效的基于物理渲染的应用。
在这次发布版本中我们对示例进行了一些更新,包括:

多线程示例
- 针对OpenGL ES添加了多线程示例,这个示例展示了在主线程上渲染其他内容时如何使用绑定共享内容的工作线程来异步加载资源。
- 增强了引入的PVRCamera示例,正确处理帧缓冲区和相机输出之间的不同长宽比。这个示例使用了PVRCamera库来获得设备的硬件相机并应用了一个简单的颜色反转着色器。
- 针对OpenGL ES移植了基本渲染(BumpMapping)示例,这个示例演示了借助PowerVR框架如何使用法线映射图实现bumpmapping(凹凸贴图)。
框架
SDK框架是一系列C++模块,它为OpenGL ES或Vulkan应用程序提供了主要框架。这些模块消除了应用程序中的许多样板代码,让你能够集中开发更有趣的部分。
SDK框架的更新包括:
- 对PVRCamera框架模块进行了升级,Android运行时权限系统现在已经实现,异步权限功能现在也可以正常运行了。
- 更新了pvr::utils::createOnScreenXXX接口,之前这些在多采样示例和其他更复杂的接口中不能正确的运行。目前接口(createOnScreenFboAndRenderpass, createSwapChainAndDepthStencilImageAndViews)已经弃用了,会在后续版本中删除。新接口(createOnScreenSwapchainRenderpassFramebuffers)替代了这两个调用。
- 支持Vulkan扩展(VK_VALIDATION_FEATURE_ENABLE_BEST_PRACTICES_EXT)的使用。
部署实施
我们决定更新这次PowerVR开发工具和SDK的发布方式。你现在可以分开下载我们的开发工具,我们认为这样能够让用户精确选择想要下载和安装的开发工具,从而减少对系统空间的占用。我们已经更新了下载页面,同时介绍了这次发布的一些策略。

PowerVR开发工具和SDK下载页面
SDK现在只能通过Github发布,最新版本已经在我们的代码仓库里了。那么为什么不去看看呢?
最后....
我们知道对于世界各地的许多人来说现在是一个不确定的时期,我们想借此机会说,我们希望你和你的家人平安无恙
我们只针对开发工具和SDK的bug修复和提升还有很多,就不在这里列举了。如果你感兴趣可以查看发布说明。
PowerVR开发工具和SDK 2020 Release 1现在可以下载了——大家还等什么呢?!
原文链接:https://www.imgtec.com/blog/powervr-sdk-and-tools-2020-release-1-now-ava...
魔乐社区(Modelers.cn) 是一个中立、公益的人工智能社区,提供人工智能工具、模型、数据的托管、展示与应用协同服务,为人工智能开发及爱好者搭建开放的学习交流平台。社区通过理事会方式运作,由全产业链共同建设、共同运营、共同享有,推动国产AI生态繁荣发展。
更多推荐

所有评论(0)