永磁同步电机控制算法-IF控制
PMSM的开环V/F控制是保持电机的电压和频率之比固定,即磁通为常数,既不需要转速闭环控制、也不需要进行电流采样,是一种完全的开环控制方式。V/F控制有两个显著不足,一是其不具备负载转矩匹配能力,转速容易产生振荡;二是其最佳V/F曲线的整定比较困难,非常容易引起电机过电流。而PMSM的IF控制是一种转速开环、电流闭环的控制方式,其无需保持电流幅值和频率的比值恒定,可以根据负载转矩选择合适的电流幅值
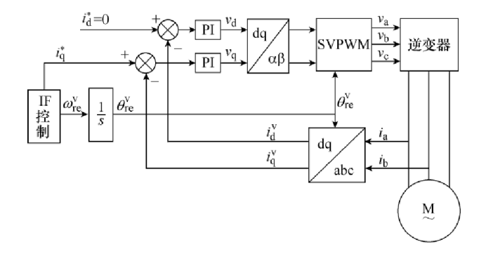
一、原理介绍
PMSM的开环V/F控制是保持电机的电压和频率之比固定,即磁通为常数,既不需要转速闭环控制、也不需要进行电流采样,是一种完全的开环控制方式。V/F控制有两个显著不足,一是其不具备负载转矩匹配能力,转速容易产生振荡;二是其最佳V/F曲线的整定比较困难,非常容易引起电机过电流。而PMSM的IF控制是一种转速开环、电流闭环的控制方式,其无需保持电流幅值和频率的比值恒定,可以根据负载转矩选择合适的电流幅值,IF控制策略的系统结构如图所示。

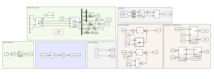
二、仿真模型
在MATLAB/simulink里面验证所提算法,搭建仿真。采用和实验中一致的控制周期1e-4,电机部分计算周期为1e-6。仿真模型如下所示:

仿真工况:电机空载零速启动,给定转速为斜坡信号,0.25s到达给定转速500rpm,0.7s施加2N.m负载
2.1转速

由于IF控制依靠“转矩-功角自平衡”特性来维持转矩稳定,并无转速环或转矩环进行调控,在转速波动、加减载时会出现转矩波动的情况,这种现象在摩擦较小的电机上更加明显。
2.2dq轴电流

2.3虚拟坐标系与实际坐标系转角误差

输出转矩增加,转角误差减小,符合“转矩-功角自平衡”原理
2.4三相电流

IF控制可以直接控制定子绕组电流幅值,因此这种控制方式不会出现电机过电流现象;通过控制定子绕组电流,使电机具有较好的负载转矩匹配能力,依靠“转矩-功角自平衡”原理, 使电机具备较强的抗负载扰动能力。
魔乐社区(Modelers.cn) 是一个中立、公益的人工智能社区,提供人工智能工具、模型、数据的托管、展示与应用协同服务,为人工智能开发及爱好者搭建开放的学习交流平台。社区通过理事会方式运作,由全产业链共同建设、共同运营、共同享有,推动国产AI生态繁荣发展。
更多推荐
所有评论(0)