stm32/gd32电动车控制器资料
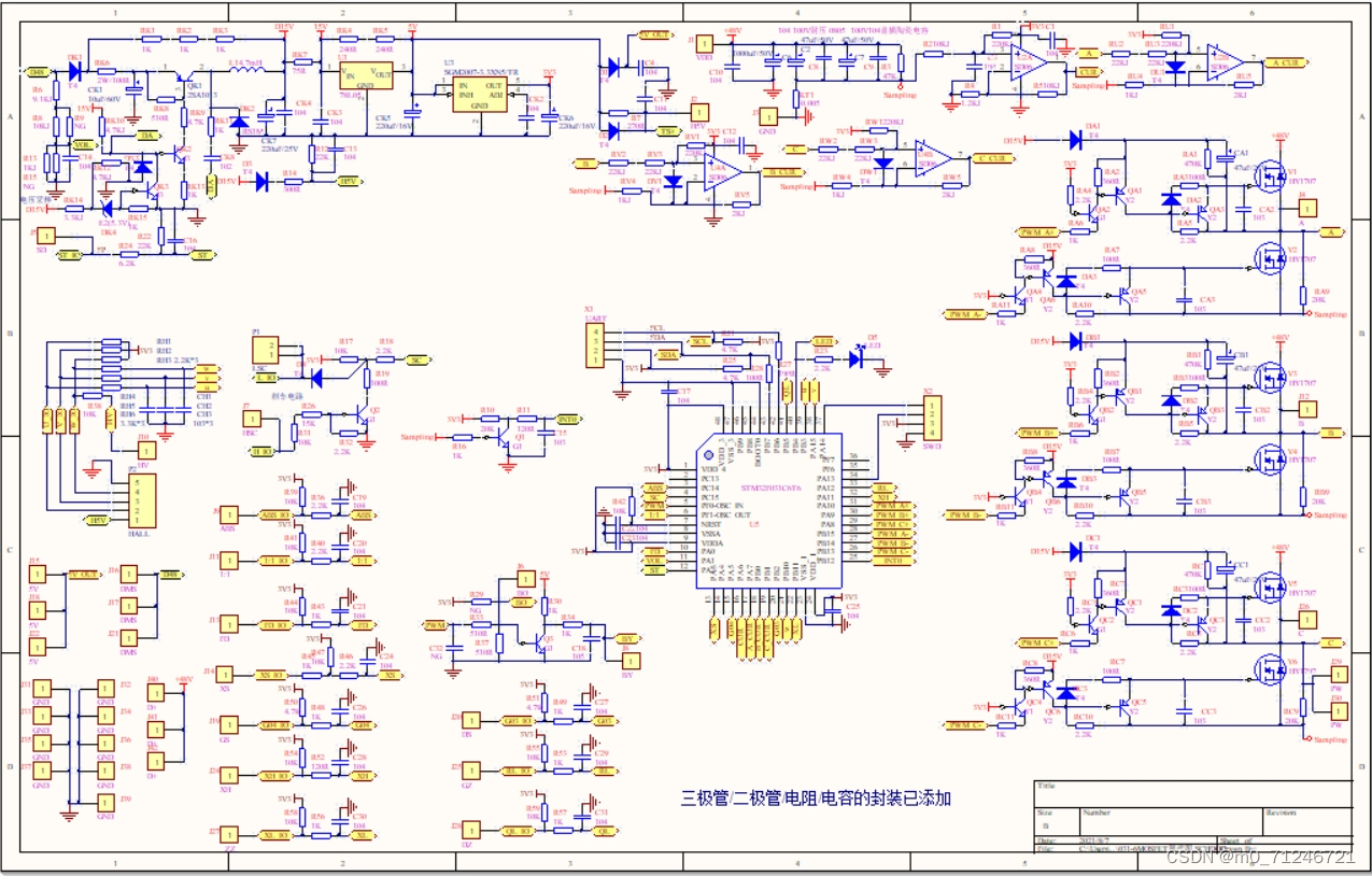
stm32/gd32电动车控制器资料电动车控制器原理图、PCB和程序大厂成熟电机foc控制送eg89m52的原理图和pcbID:695652995403923
·
stm32/gd32电动车控制器资料
电动车控制器原理图、PCB和程序
大厂成熟电机foc控制
送eg89m52的原理图和pcb

ID:695
652995403923
魔乐社区(Modelers.cn) 是一个中立、公益的人工智能社区,提供人工智能工具、模型、数据的托管、展示与应用协同服务,为人工智能开发及爱好者搭建开放的学习交流平台。社区通过理事会方式运作,由全产业链共同建设、共同运营、共同享有,推动国产AI生态繁荣发展。
更多推荐

所有评论(0)