二氧化碳气体传感器检测电路
二氧化碳传感器是用于检测二氧化碳浓度的机器
·
二氧化碳传感器是用于检测二氧化碳浓度的机器。二氧化碳是绿色植物进行光合作用的原料之一,作物干重的95%来自光合作用。因此,使用二氧化碳传感器控制浓度也就成为影响作物产量的重要因素。
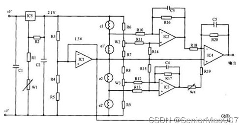
二氧化碳气体传感器是根据不同气体热传导率不同的特点而制作的导热式气体传感器。传感器的结构相当简单,它由两对铂丝线圈组成,将其中的一对线圈封入标准空气中,作温度补偿用,另一对线圈则与被测气体接触。
这种传感器阻抗较低,电压变动会引起特性变化,因此,使用了稳压集成块和稳压电路。这个电路由于同时还检测到水蒸气和二氧化碳以外的其他气体,而不能获得真正的二氧化碳信号,所以要对两个传感器施加不同的电压,并取出两者输出之差值,以此抵消由二氧化碳以外的气体产生的输出。在本电路中,两个传感器串联连接,分别施加了0.5V和1.3V的电压。其输出经由运算放大器放大,并作相减运算,从而获得真正的二氧化碳的信号。在这种放大电路中,传感器的输出很小,当二氧化碳浓度为10%时,输出大约为3mV,所以很容易受噪声影响,因此要注意线路的设计和器件的选择。C3、C4、C5用于消除噪声,W1用于调整电压,W2、W3用于将传感器在空气中的输出调整到零,而W4则用于调节两运算放大器的放大率。

魔乐社区(Modelers.cn) 是一个中立、公益的人工智能社区,提供人工智能工具、模型、数据的托管、展示与应用协同服务,为人工智能开发及爱好者搭建开放的学习交流平台。社区通过理事会方式运作,由全产业链共同建设、共同运营、共同享有,推动国产AI生态繁荣发展。
更多推荐



所有评论(0)