PD20W芯片方案
固德微GDLS2328B+GDLS5266B,PD20W芯片低成本,变压器EE1517
·
固德微手机充电器芯片方案:
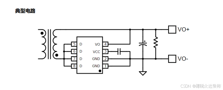
- 固德微20W PD 快充充电器的 PWM 主控芯片丝印为 GDLS2328B,同步整流芯片是固德微 GDLS5266B,PD 快充协议芯片为富满 XPD720。该主控同步为高频芯片,频率80-90K,变压器支持EE1517、EE1610、EE1710系列,价格控制在7毛已内,充电器可以做更小,输入端配备固定式插脚,支持多种快充协议,具备 5V3A、9V2.25A、12V1.75A 三组固定电压档位,内部采用多块 PCB 板组合焊接设计,可缩小充电器体积。






魔乐社区(Modelers.cn) 是一个中立、公益的人工智能社区,提供人工智能工具、模型、数据的托管、展示与应用协同服务,为人工智能开发及爱好者搭建开放的学习交流平台。社区通过理事会方式运作,由全产业链共同建设、共同运营、共同享有,推动国产AI生态繁荣发展。
更多推荐


所有评论(0)