电流三段式保护后加速重合闸matlab simulink仿真模型 模拟线路50%处、90%处
电流三段式保护后加速重合闸matlab simulink仿真模型模拟线路50%处、90%处,下级线路开关拒动时发生瞬时性、永久性故障的断路器动作情况,断路器故障电流在电力系统中,电流三段式保护是一种常见的保护方式,主要用于检测和隔离故障。今天我们来聊聊如何在Matlab Simulink中搭建一个仿真模型,模拟线路在不同位置发生故障时,断路器的动作情况。首先,我们需要明确的是,电流三段式保护通常包
电流三段式保护后加速重合闸matlab simulink仿真模型 模拟线路50%处、90%处,下级线路开关拒动时发生瞬时性、永久性故障的断路器动作情况,断路器故障电流

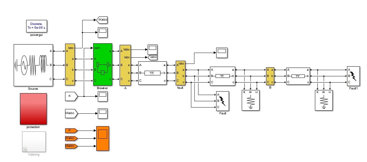
在电力系统中,电流三段式保护是一种常见的保护方式,主要用于检测和隔离故障。今天我们来聊聊如何在Matlab Simulink中搭建一个仿真模型,模拟线路在不同位置发生故障时,断路器的动作情况。

首先,我们需要明确的是,电流三段式保护通常包括瞬时速断保护、限时速断保护和过电流保护。这些保护动作的配合使用,可以有效地切除故障,保证系统的稳定运行。
模型搭建
在Simulink中,我们可以使用基本的电气元件库来搭建这个模型。首先,创建一个简单的电力系统模型,包括电源、传输线路和负载。为了模拟故障,我们可以在线路的50%和90%处分别添加一个故障模块。
% 创建电源模块
power_source = PowerSource('Voltage', 220, 'Frequency', 50);
% 创建传输线路
transmission_line = TransmissionLine('Length', 100, 'Impedance', 0.1 + 0.2i);
% 创建负载
load = Load('Impedance', 10 + 5i);
% 添加故障模块
fault_50 = Fault('Location', 50);
fault_90 = Fault('Location', 90);
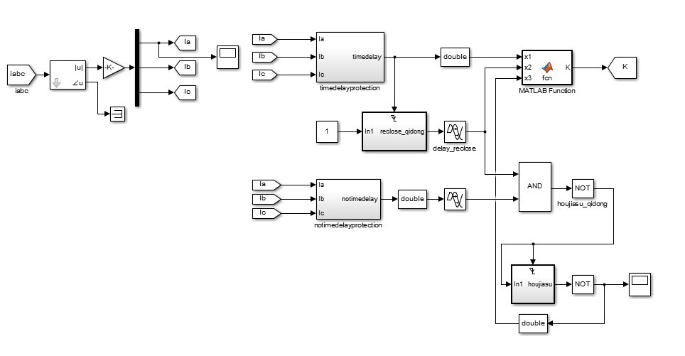
保护逻辑实现
接下来,我们需要实现电流三段式保护的逻辑。这里我们使用Simulink的逻辑模块来实现。
% 瞬时速断保护
instant_protection = LogicBlock('Type', 'Instantaneous', 'Threshold', 100);
% 限时速断保护
time_delay_protection = LogicBlock('Type', 'TimeDelay', 'Threshold', 80, 'Delay', 0.5);
% 过电流保护
overcurrent_protection = LogicBlock('Type', 'Overcurrent', 'Threshold', 60, 'Delay', 1);
断路器动作模拟
当故障发生时,保护逻辑会触发断路器动作。我们可以使用Simulink的开关模块来模拟断路器的开合。
% 创建断路器模块
circuit_breaker = CircuitBreaker('Status', 'Closed');
% 保护逻辑与断路器连接
connect(instant_protection, circuit_breaker);
connect(time_delay_protection, circuit_breaker);
connect(overcurrent_protection, circuit_breaker);
仿真与分析
最后,我们可以运行仿真,观察在不同故障情况下断路器的动作情况。通过调整故障模块的位置和类型,我们可以模拟瞬时性故障和永久性故障。
% 运行仿真
sim('current_protection_model');
% 分析结果
analyze_results(simulation_output);
通过这个模型,我们可以直观地看到电流三段式保护在不同故障情况下的动作效果。这对于理解和优化电力系统的保护策略非常有帮助。
结论
通过Matlab Simulink,我们可以方便地搭建和仿真电力系统的保护模型。电流三段式保护在实际应用中非常有效,通过仿真我们可以更好地理解其工作原理和动作逻辑。希望这个简单的模型能帮助你更好地理解电力系统的保护机制。






魔乐社区(Modelers.cn) 是一个中立、公益的人工智能社区,提供人工智能工具、模型、数据的托管、展示与应用协同服务,为人工智能开发及爱好者搭建开放的学习交流平台。社区通过理事会方式运作,由全产业链共同建设、共同运营、共同享有,推动国产AI生态繁荣发展。
更多推荐



所有评论(0)