matlab simulink igbt结温估算 可教学 永磁同步电机foc控制 pmsm s...
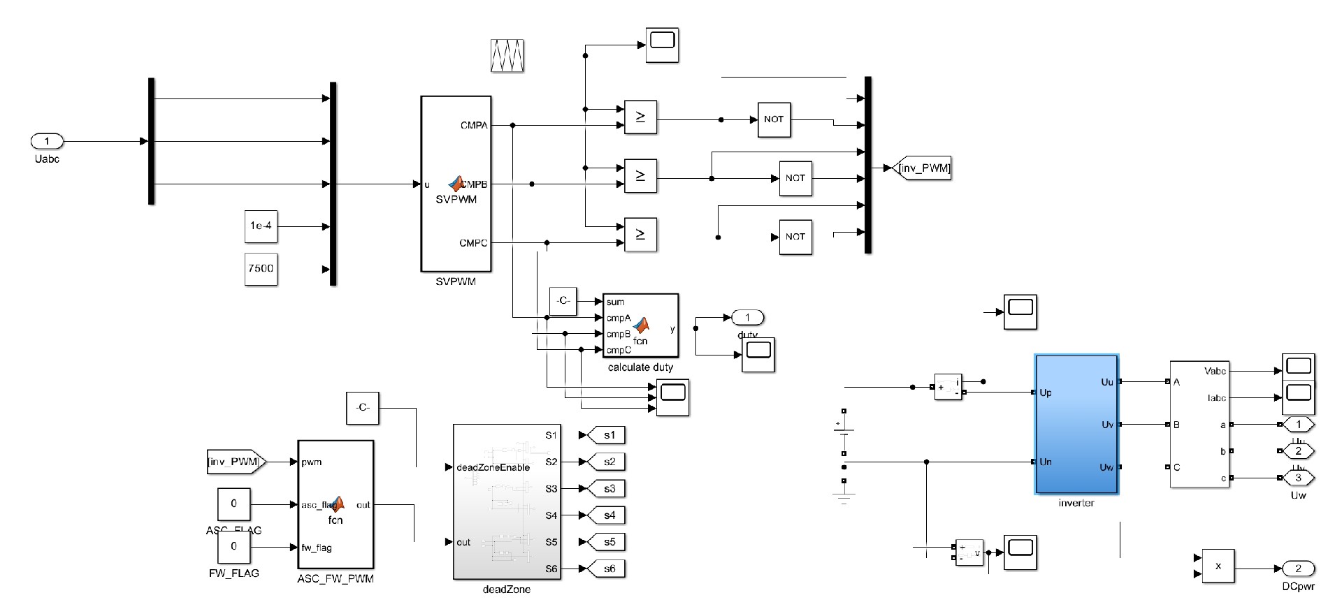
咱们在SVPWM调制环节后面插了个损耗计算模块,直接把开关过程的电流电压波形喂给热模型。搞永磁同步电机FOC控制的老铁们都知道,IGBT模块的温度监控是个要命的事儿。今儿咱们不整虚的,直接上Simulink手把手教你怎么在纯框图环境下搞出能实时估算IGBT和二极管结温的骚操作。二极管那边也别落下,单独搞个镜像模块处理续流损耗,毕竟IGBT和二极管的结壳热阻参数差了十万八千里。重点是这个Therma
matlab simulink igbt结温估算 可教学 永磁同步电机foc控制 pmsm svpm 控制是纯框图搭建 具有一定学习参考价值 可以在不同工况 估算igbt功率半导体模块温度 可以分别估算igbt和二极管的温度

搞永磁同步电机FOC控制的老铁们都知道,IGBT模块的温度监控是个要命的事儿。今儿咱们不整虚的,直接上Simulink手把手教你怎么在纯框图环境下搞出能实时估算IGBT和二极管结温的骚操作。

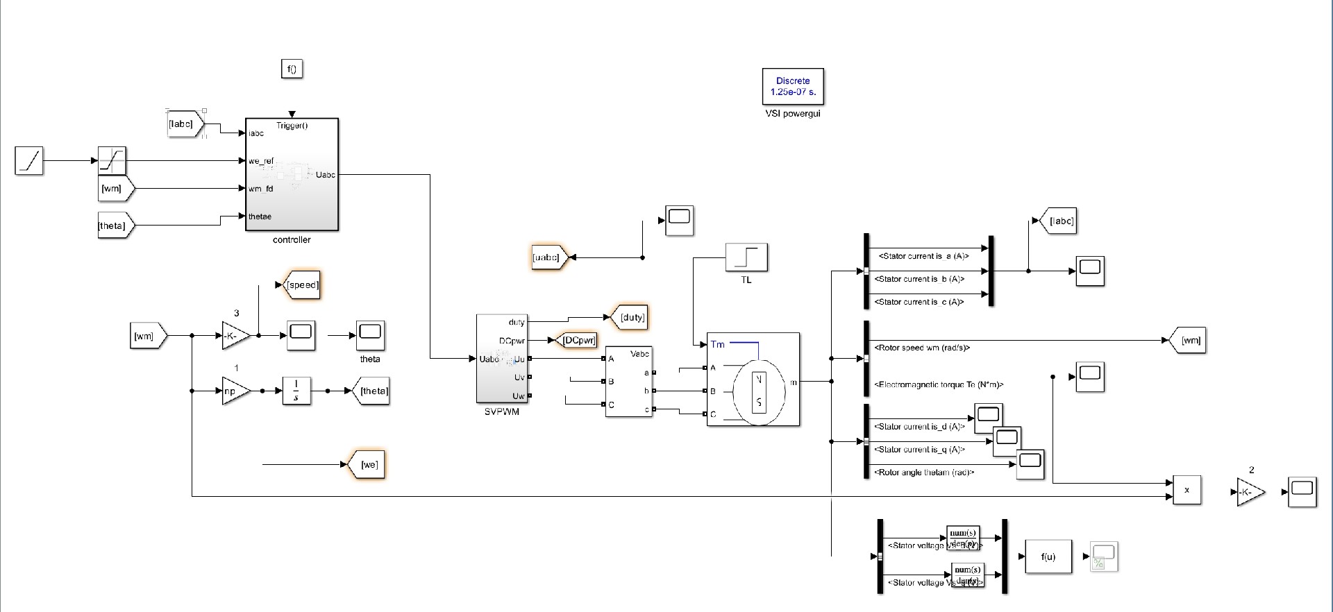
先看整体框架——这系统是FOC控制套着温度估算的紧箍咒。咱们在SVPWM调制环节后面插了个损耗计算模块,直接把开关过程的电流电压波形喂给热模型。注意看这个黑科技操作:用Simscape Electrical里的IGBT模块自带损耗输出端口,不用自己写方程真香!
% IGBT模块参数配置示例
set_param([modelName '/IGBT'],...
'Ron', '0.01',...
'Lon', '1e-6',...
'Vf', '1.2',...
'ThermalPort', 'temperature');
参数里的Ron别傻乎乎用datasheet标称值,实测温升曲线反推更靠谱。重点是这个ThermalPort直接打通了电气域和热域的任督二脉,后面挂个热容热阻网络就能玩温度反馈。

温度估算的核心是这个三阶福斯特网络,比传统RC模型更带劲:
% 热网络状态方程
Rth = [0.2 0.15 0.1]; % 热阻层(K/W)
Cth = [0.5 0.3 0.2]; % 热容层(J/K)
AmbientTemp = 25; % 散热片温度
每个时间步长把损耗功率P_loss怼进这个微分方程组,算出来的瞬态温升准得让你怀疑人生。二极管那边也别落下,单独搞个镜像模块处理续流损耗,毕竟IGBT和二极管的结壳热阻参数差了十万八千里。

实测时记得在电机突加负载的瞬间抓温度曲线,看这个波形才是真功夫:


最后说几个踩坑经验:
- 开关频率超过10kHz时,采样周期必须缩到1e-6秒级别
- 热网络参数别直接抄datasheet,拿红外热像仪校准才是王道
- 死区时间造成的额外损耗记得用这个公式补上:
matlab
Pdeadtime = Vdc Iavg deadtime fsw 2; % 每相损耗翻倍
搞完这套系统,下次面试被问热设计直接甩出仿真波形,绝对让面试官跪着喊爸爸。需要完整模型的兄弟评论区吱一声,点赞过百直接开源模型文件!

魔乐社区(Modelers.cn) 是一个中立、公益的人工智能社区,提供人工智能工具、模型、数据的托管、展示与应用协同服务,为人工智能开发及爱好者搭建开放的学习交流平台。社区通过理事会方式运作,由全产业链共同建设、共同运营、共同享有,推动国产AI生态繁荣发展。
更多推荐
所有评论(0)