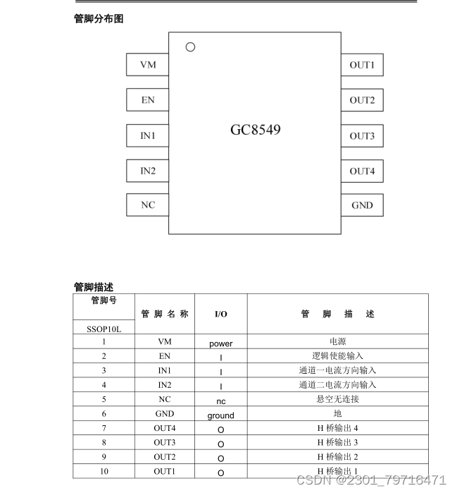
GC8549国产芯片——应用于摄像机、消费类等产品中,双通道 12V,内置过温保护, H 桥电源短接保护,短地保护
GC8549 可以工作在 3.8~12V 的电源电压上,每通道能提供高达 1.5A 持续输出电流或者2.5A峰值电流,睡眠模式下功耗小于1uA。具有 PWM(IN/EN)输入接口,与行业标准器件兼容,并具有过温保护,欠压保护,短路保护,过流保护等功能。GC8549 是一款双通道 12V 直流电机驱动芯片,为摄像机、消费类产品、玩具和其他低压或者电池供电的运动控制类应用提供了集成的电机驱动解决方案。
GC8549 是一款双通道 12V 直流电机驱动芯片,为摄像机、消费类产品、玩具和其他低压或者电池供电的运动控制类应用提供了集成的电机驱动解决方案。芯片一般用来驱动两个直流电机或者驱动一个步进电机。
GC8549 可以工作在 3.8~12V 的电源电压上,每通道能提供高达 1.5A 持续输出电流或者2.5A峰值电流,睡眠模式下功耗小于1uA。具有 PWM(IN/EN)输入接口,与行业标准器件兼容,并具有过温保护,欠压保护,短路保护,过流保护等功能。内置 LDO,不需要逻辑电源,输入兼容 3.3V 与 5V。
芯片 应用
● 摄像机
● 数字单镜头反光(DSLR) 镜头
● 玩具
● 机器人技术
● 共享单车锁
● 水表开关
● 医疗设备
芯片特点
● H 桥电机驱动器
-- 电源电压 3.8~12V
-- 低导通阻抗(HS+LS) 350mΩ
● 1.5A 持续驱动输出电流
● PWM(IN/EN)输入模式
● 兼容 3.3V,5V 逻辑输入
● 内置过温保护
● 内置 H 桥电源短接保护,短地保护
● 低电流睡眠模式(nA 级,EN=0)

魔乐社区(Modelers.cn) 是一个中立、公益的人工智能社区,提供人工智能工具、模型、数据的托管、展示与应用协同服务,为人工智能开发及爱好者搭建开放的学习交流平台。社区通过理事会方式运作,由全产业链共同建设、共同运营、共同享有,推动国产AI生态繁荣发展。
更多推荐



所有评论(0)