FP7153降压恒流LED驱动芯片:3A大电流输出,2.5-5.5V宽电压输入
FP7153是一款高效PWM降压转换器芯片,专为大功率LED驱动设计。该芯片具有2.5-5.5V宽输入电压范围、0.1V基准电压反馈和3A最大输出电流,支持100%占空比操作,内置1.5MHz固定PWM频率和多项保护功能。其典型应用包括自行车灯、露营灯和汽车内饰照明等场景,可实现无频闪调光和高效恒流驱动。芯片采用DFN-10L封装,具有低静态电流(100μA)和热关断保护等特点,能有效延长便携设备
一、芯片概述
FP7153 是一款 PWM 控制降压转换器,旨在为驱动大功率 LED 提供简单、高效的解决方案。FP7153 采用 0.1V 基准电压反馈控制,可最大限度地降低功耗,外部电阻器可根据需要设置电流,以驱动各种类型的 LED。FP7153 包括高低侧开关,实现了高效率和紧凑的 PCB 布局。为了延长便携式应用的电池寿命,FP7153 支持 100% 占空比的低压差操作。其他功能包括热关断、逐周期电流限制和过流保护。
1.参数特点
Ø 输入电压范围:2.5 至 5.5V
Ø 可调输出电压:0.1V 至 VIN
Ø 精确反馈基准电压:0.1V (±10%)
Ø 输出电流:3A(最大值)
Ø 工作周期: 0~100%
Ø 内部固定 PWM 频率:1.5MHz
Ø 低静态电流:100μA
Ø 无需肖特基二极管
Ø 内置软启动
Ø 电流模式操作
Ø 过温保护
Ø 包装: DFN-10L (EP)

2.引脚说明

标记信息

无卤素: 无卤素产品指示器
批号: 晶圆批号代码
内部 ID: 内部识别代码
每半月: 以半个月为时间单位的生产周期指标
例如 : A → 一月上半月
B → 一月下半月
C →二月上半月
D → 二月下半月
年份: 生产年份的最后一位数字
3.电路图

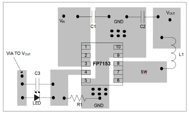
4.PCB图

二、FP7153的应用案列
1. 自行车灯:用FP7153进行5V降压恒流驱动监控补光灯
2. 露营灯、头灯:用FP7153给电池降压恒流驱动3V灯珠进行无频闪调光
3.汽车内饰照明:用FP7153给电池降压恒流驱动3V灯珠进行无频闪调光
魔乐社区(Modelers.cn) 是一个中立、公益的人工智能社区,提供人工智能工具、模型、数据的托管、展示与应用协同服务,为人工智能开发及爱好者搭建开放的学习交流平台。社区通过理事会方式运作,由全产业链共同建设、共同运营、共同享有,推动国产AI生态繁荣发展。
更多推荐


所有评论(0)