单片双向马达驱动芯片D6208 ,噪声低 内设马达驱动功率晶体管且工作电源电压范围宽
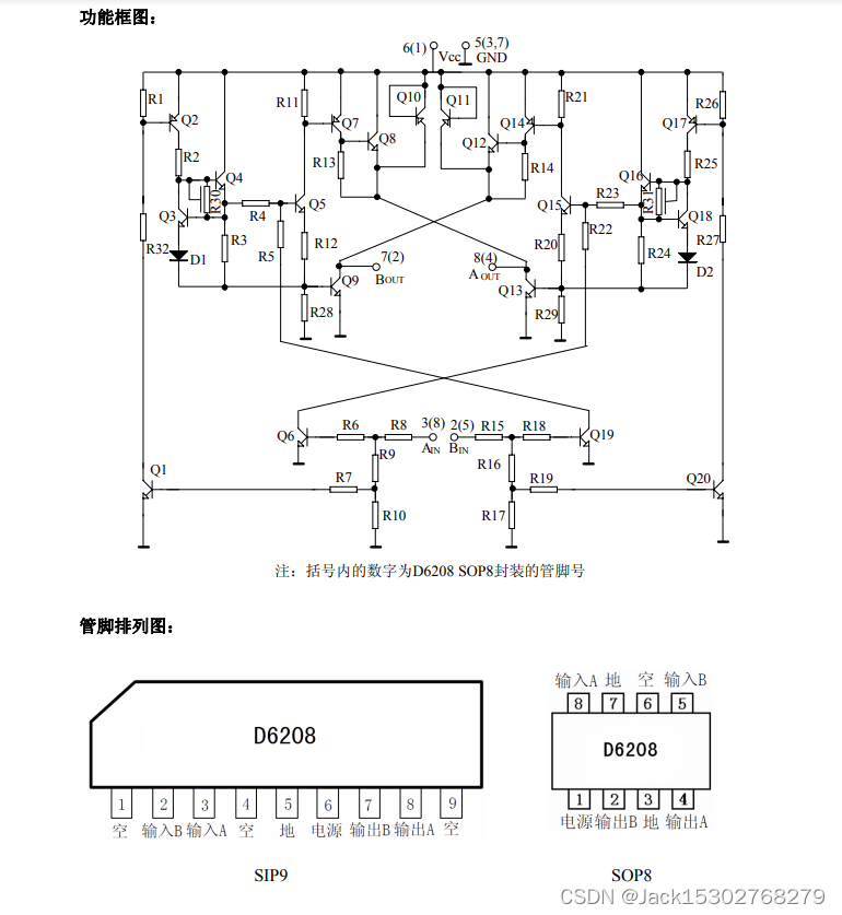
D6208 是一块单片双向马达驱动电路,它使用TTL电平的逻辑信号就能控制卡式录音机和其它电子设备中的双向马达。该电路由一个逻辑部分和一个功率输出部分组成。逻辑部分控制马达正、反转向及制动,功率输出部分根据逻辑控制能提供100mA(典型值)电流。● 噪声低 内设马达驱动功率晶体管(典型100mA)● 可施加制动,强制马达停止(输入A和B都为高电平)● 输入A和B都为低电平时,具有非常小的待机电流。
D6208 是一块单片双向马达驱动电路,它使用TTL电平的逻辑信号就能控制卡式录音机和其它电子设备中的双向马达。该电路由一个逻辑部分和一个功率输出部分组成。逻辑部分控制马达正、反转向及制动,功率输出部分根据逻辑控制能提供100mA(典型值)电流。
D6208采用SIP9和SOP8封装形式封装
主要特点:
● 噪声低 内设马达驱动功率晶体管(典型100mA)
● 可施加制动,强制马达停止(输入A和B都为高电平)
● 内设保护二极管,吸收冲击电流
● 输入A和B都为低电平时,具有非常小的待机电流
● 工作电源电压范围宽(4.5V~15.0V)
● 用 TTL 逻辑信号直接控
应用: ● 卡式录音机双向马达
● 其它电子设备双向马达

魔乐社区(Modelers.cn) 是一个中立、公益的人工智能社区,提供人工智能工具、模型、数据的托管、展示与应用协同服务,为人工智能开发及爱好者搭建开放的学习交流平台。社区通过理事会方式运作,由全产业链共同建设、共同运营、共同享有,推动国产AI生态繁荣发展。
更多推荐


所有评论(0)