永磁同步电机控制算法-基于ADRC的位置伺服控制
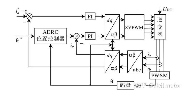
ADRC位置伺服系统不依赖于被控对象模型,转动惯量和定子电阻的变化以及其它一些未知的扰动由 ADRC位置控制器测出来并加以补偿,使得系统对系统参数变化和外部扰动具有较强的鲁棒性;同时,ADRC位置控制器还为给定位置信号安排过渡过程,使得系统响应快且没有超调。通过非线性状态误差反馈律的作用,系统实现了“小误差大增益,大误差小增益”的非线性控制。
·
一、原理介绍
ADRC位置伺服系统不依赖于被控对象模型,转动惯量和定子电阻的变化以及其它一些未知的扰动由 ADRC位置控制器测出来并加以补偿,使得系统对系统参数变化和外部扰动具有较强的鲁棒性;同时,ADRC位置控制器还为给定位置信号安排过渡过程,使得系统响应快且没有超调。通过非线性状态误差反馈律的作用,系统实现了“小误差大增益,大误差小增益”的非线性控制。

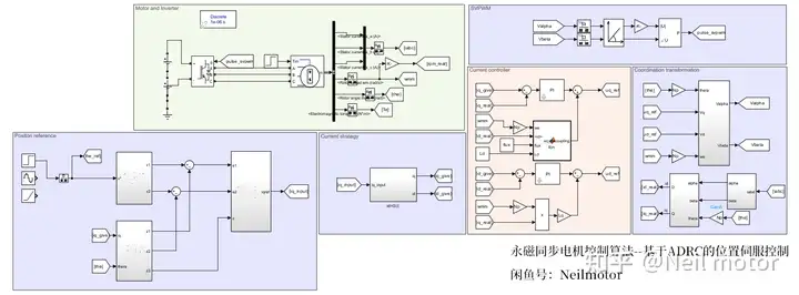
二、仿真模型
在MATLAB/simulink里面验证所提算法,搭建仿真。采用和实验中一致的控制周期1e-4,电机部分计算周期为1e-6。仿真模型如下所示:

仿真工况:电机跟踪不同转子位置给定信号,0.8s施加阶跃负载
P调节器
2.1转角阶跃信号

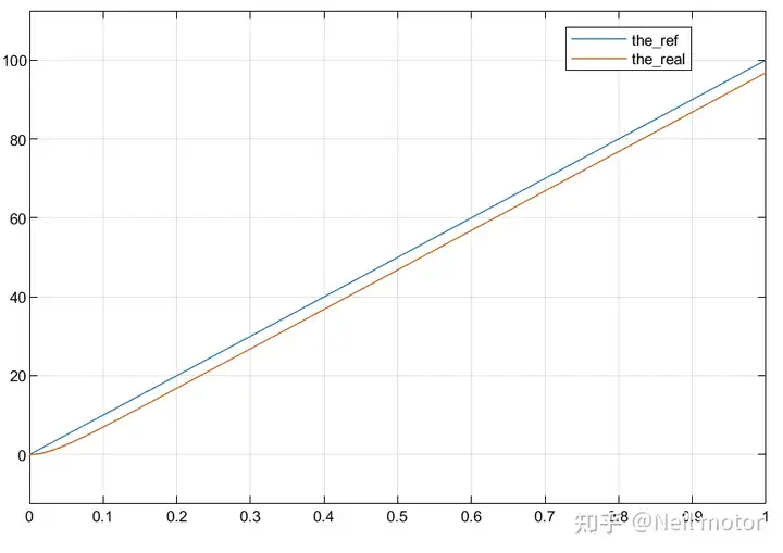
2.2转角斜坡信号

2.3转角正弦信号

ADRC调节器
2.1转角阶跃信号

2.2转角斜坡信号

2.3转角正弦信号

综上,可以明显看出采用ADRC的伺服控制有效提高了抗负载扰动和位置跟踪的性能
魔乐社区(Modelers.cn) 是一个中立、公益的人工智能社区,提供人工智能工具、模型、数据的托管、展示与应用协同服务,为人工智能开发及爱好者搭建开放的学习交流平台。社区通过理事会方式运作,由全产业链共同建设、共同运营、共同享有,推动国产AI生态繁荣发展。
更多推荐
所有评论(0)