浅谈开关电源中的Y电容在安规漏电流测试中的影响
对于开关电源中的Y电容在安规漏电流测试中的影响做了简要说明,并且提出了部分整改的思路,仅供大家作为参考。
·
医疗设备漏电流测试项目是安规测试中比较重要而且可能不那么容易通过的项目。实际测试过程中也发现漏电流不通过的概率还是非常大的,其实大部分的问题可能是出在开关电源上。
开关电源一般会存在X电容与Y电容两种安规电容,如下图所示X电容一般大部分是黄色的,Y电容一般是蓝色的。

如果测试某项漏电流未能通过,可以查看测试线路中是否存在开关电源,如果和开关电源相关,很有可能是开关电源的Y电容过大引起的漏电流超标。如下图所示是某款开关电源的漏电流参数:
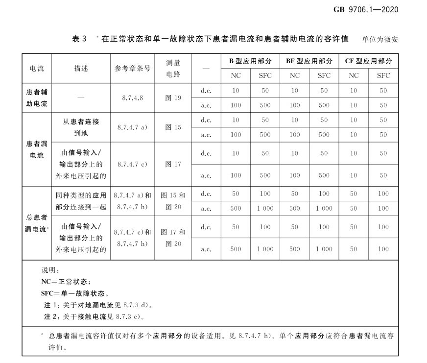
可以发现这款开关电源的漏电流非常的大,达到750微安,甚至直接超过了如下图部分项目的限值:
这样子的开关电源直接接在设备上测试大概会会导致漏电流超标,解决办法有两种。最简单的就是更换漏电流更小的开关电源,这是一种方法。那如果实在想用这种开关电源的话,就需要对于开关电源单独做漏电流测试,将内部的Y电容拆掉或者换成容值相对较小的,当然这也可能对开关电源的EMC性能造成一定的影响,所以需要综合考虑Y电容的数值。
魔乐社区(Modelers.cn) 是一个中立、公益的人工智能社区,提供人工智能工具、模型、数据的托管、展示与应用协同服务,为人工智能开发及爱好者搭建开放的学习交流平台。社区通过理事会方式运作,由全产业链共同建设、共同运营、共同享有,推动国产AI生态繁荣发展。
更多推荐

所有评论(0)